EasyManua.ls Logo

Xerox Phaser 790 - Page 156

Xerox Phaser 790
653 pages
Print Icon
To Next Page IconTo Next Page
To Next Page IconTo Next Page
To Previous Page IconTo Previous Page
To Previous Page IconTo Previous Page
Loading...
10/00
2-142
Phaser 790/DocuColor 2006
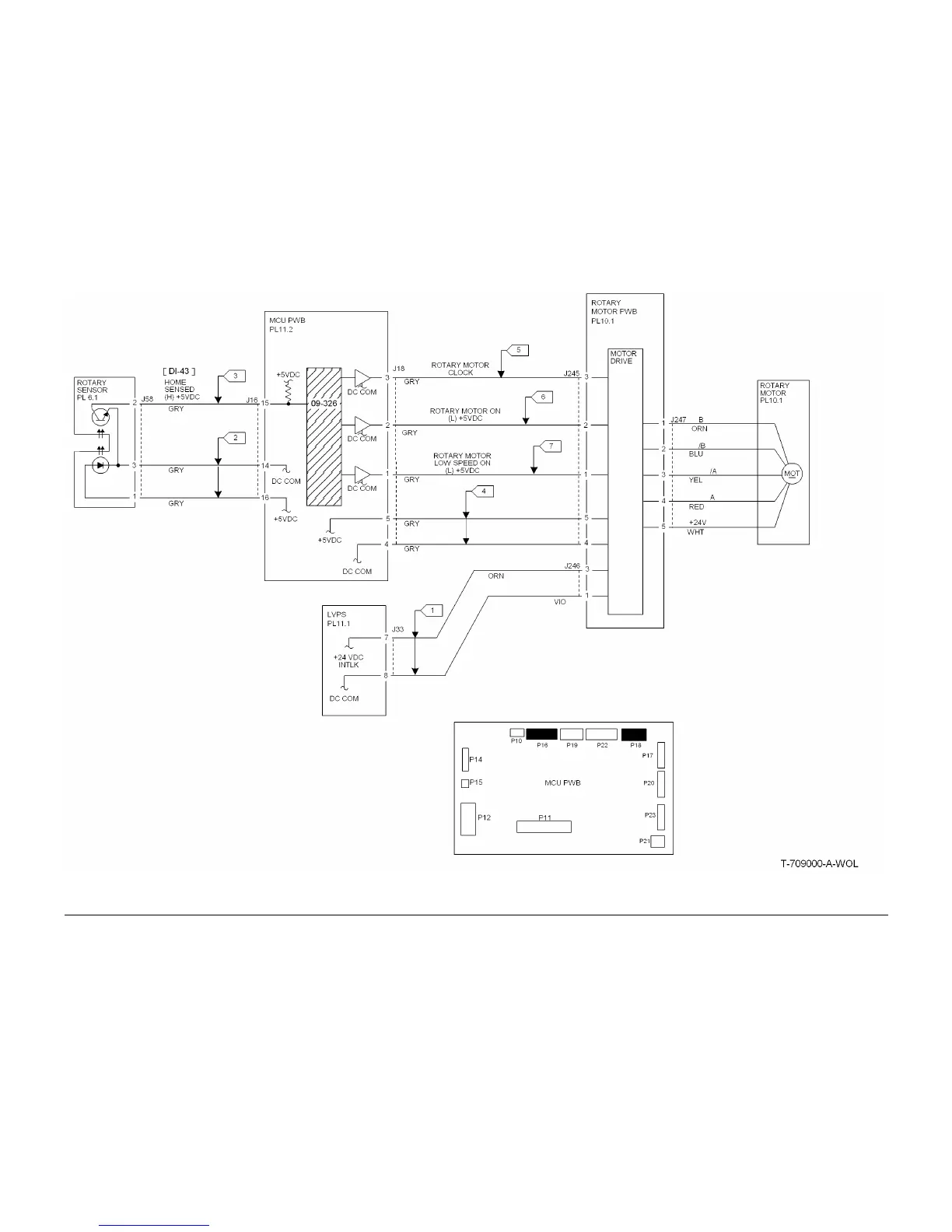
009-326
Initial Issue
Status Indicator RAPs
Figure 1 009-326 RAP Circuit Diagram

Table of Contents

Other manuals for Xerox Phaser 790

Related product manuals