EasyManua.ls Logo

Altera Cyclone IV - Page 220

Altera Cyclone IV
490 pages
Print Icon
To Next Page IconTo Next Page
To Next Page IconTo Next Page
To Previous Page IconTo Previous Page
To Previous Page IconTo Previous Page
Loading...
8–56 Chapter 8: Configuration and Remote System Upgrades in Cyclone IV Devices
Configuration
Cyclone IV Device Handbook, May 2013 Altera Corporation
Volume 1
If you configure a master device with an SFL design, the master device enters user
mode even though the slave devices in the multiple device chain are not being
configured. The master device enters user mode with a SFL design even though the
CONF_DONE
signal is externally held low by the other slave devices in chain.
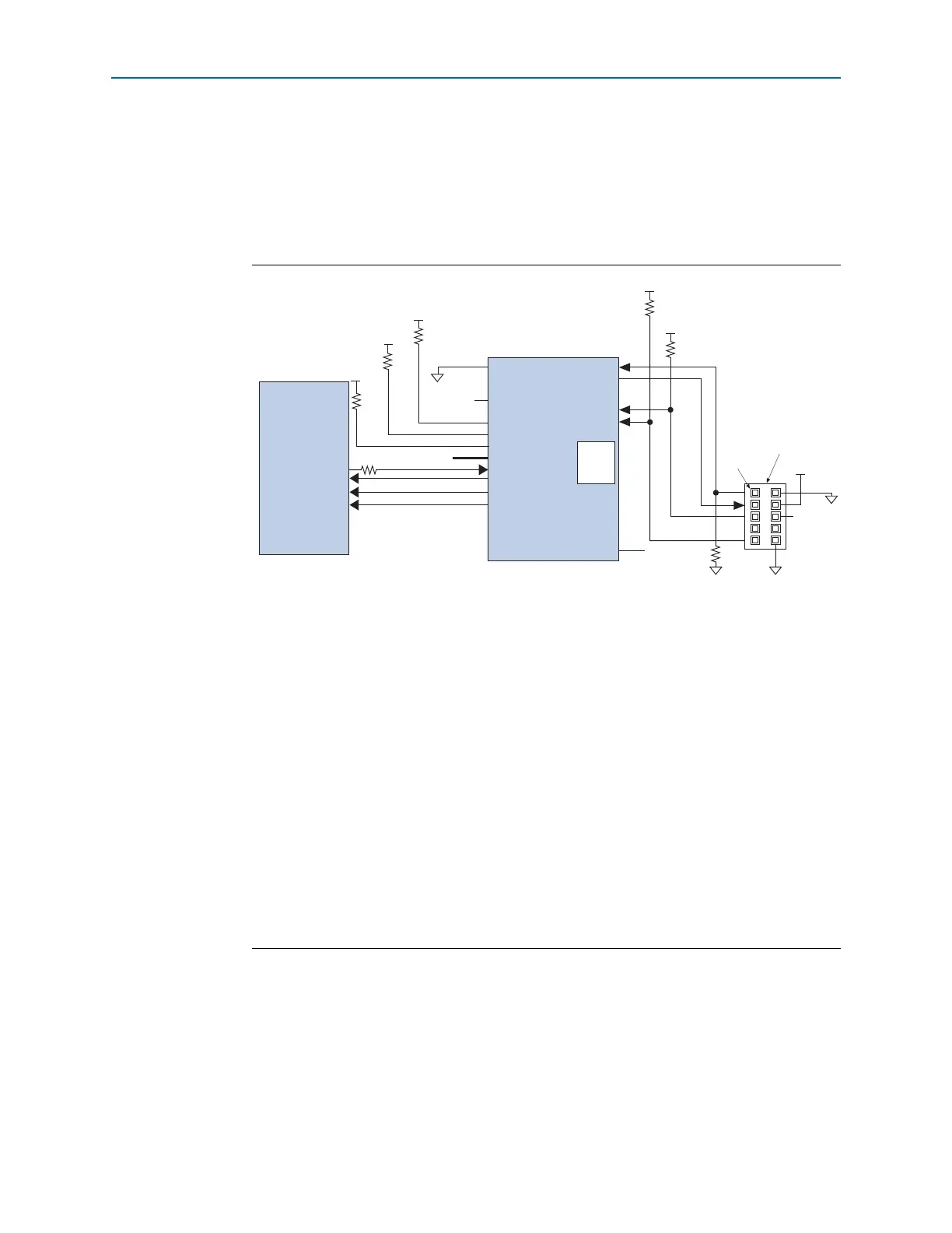
Figure 8–29 shows the JTAG configuration of a single Cyclone IV device with a SFL
design.
ISP of the Configuration Device
In the second stage, the SFL design in the master device allows you to write the
configuration data for the device chain into the serial configuration device with the
Cyclone IV device JTAG interface. The JTAG interface sends the programming data
for the serial configuration device to the Cyclone IV device first. The Cyclone IV
device then uses the ASMI pins to send the data to the serial configuration device.
Figure 8–29. Programming Serial Configuration Devices In-System Using the JTAG Interface
Notes to Figure 8–29:
(1) Connect the pull-up resistors to the V
CCIO
supply of the bank in which the pin resides.
(2) The
MSEL
pin settings vary for different configuration voltage standards and POR time. To connect
MSEL
for AS
configuration schemes, refer to Table 8–3 on page 8–8, Table 8–4 on page 8–8, and Table 8–5 on page 8–9. Connect
the
MSEL
pins directly to V
CCA
or GND.
(3) Pin 6 of the header is a V
IO
reference voltage for the MasterBlaster output driver. The V
IO
must match the V
CCA
of the
device. For this value, refer to the MasterBlaster Serial/USB Communications Cable User Guide. When using the
ByteBlasterMV download cable, this pin is a no connect. When using USB-Blaster, ByteBlaster II, and EthernetBlaster
cables, this pin is connected to
nCE
when it is used for AS programming, otherwise it is a no connect.
(4) You must connect the
nCE
pin to GND or driven low for successful JTAG configuration.
(5) The
nCEO
pin is left unconnected or used as a user I/O pin when it does not feed the
nCE
pin of another device.
(6) Power up the V
CC
of the EthernetBlaster, ByteBlaster II, USB-Blaster, or ByteBlasterMV cable with a 2.5- V V
CCA
supply.
Third-party programmers must switch to 2.5 V. Pin 4 of the header is a V
CC
power supply for the MasterBlaster cable.
The MasterBlaster cable can receive power from either 5.0- or 3.3-V circuit boards, DC power supply, or 5.0 V from
the USB cable. For this value, refer to the MasterBlaster Serial/USB Communications Cable User Guide.
(7) Connect the series resistor at the near end of the serial configuration device.
(8) These pins are dual-purpose I/O pins. The
nCSO
pin functions as
FLASH_nCE
pin in AP mode. The
ASDO
pin functions
as
DATA[1]
pin in AP and FPP modes.
(9) Resistor value can vary from 1 k to 10 k.
(10) Only Cyclone IV GX devices have an option to select
CLKUSR
(40 MHz maximum) as the external clock source for
DCLK
.
nCE (4)
MSEL[ ]
nCONFIG
CONF_DONE
V
CCA
V
CCA
(6)
GND
V
CCIO
(1)
GND
V
CCIO
(1)
(2)
(10)
V
CCA
(9)
(9)
1 kΩ
10 k
Ω
10 kΩ
nSTATUS
Pin 1
Download Cable 10-Pin Male
Header (Top View)
GND
TCK
TDO
TMS
TDI
CLKUSR
GND
V
IO
(3)
Cyclone IV Device
nCEO
N.C. (5)
DCLK
DATA[0]
nCSO (8)
ASDO (8)
DCLK
DATA
nCS
ASDI
Serial Configuration
Device
V
CCIO
(1)
10 kΩ
Serial
Flash
Loader
25 Ω (7)

Table of Contents

Related product manuals