EasyManua.ls Logo

Altera Stratix - Page 285

Altera Stratix
572 pages
Print Icon
To Next Page IconTo Next Page
To Next Page IconTo Next Page
To Previous Page IconTo Previous Page
To Previous Page IconTo Previous Page
Loading...
Altera Corporation 6–27
July 2005 Stratix Device Handbook, Volume 2
DSP Blocks in Stratix & Stratix GX Devices
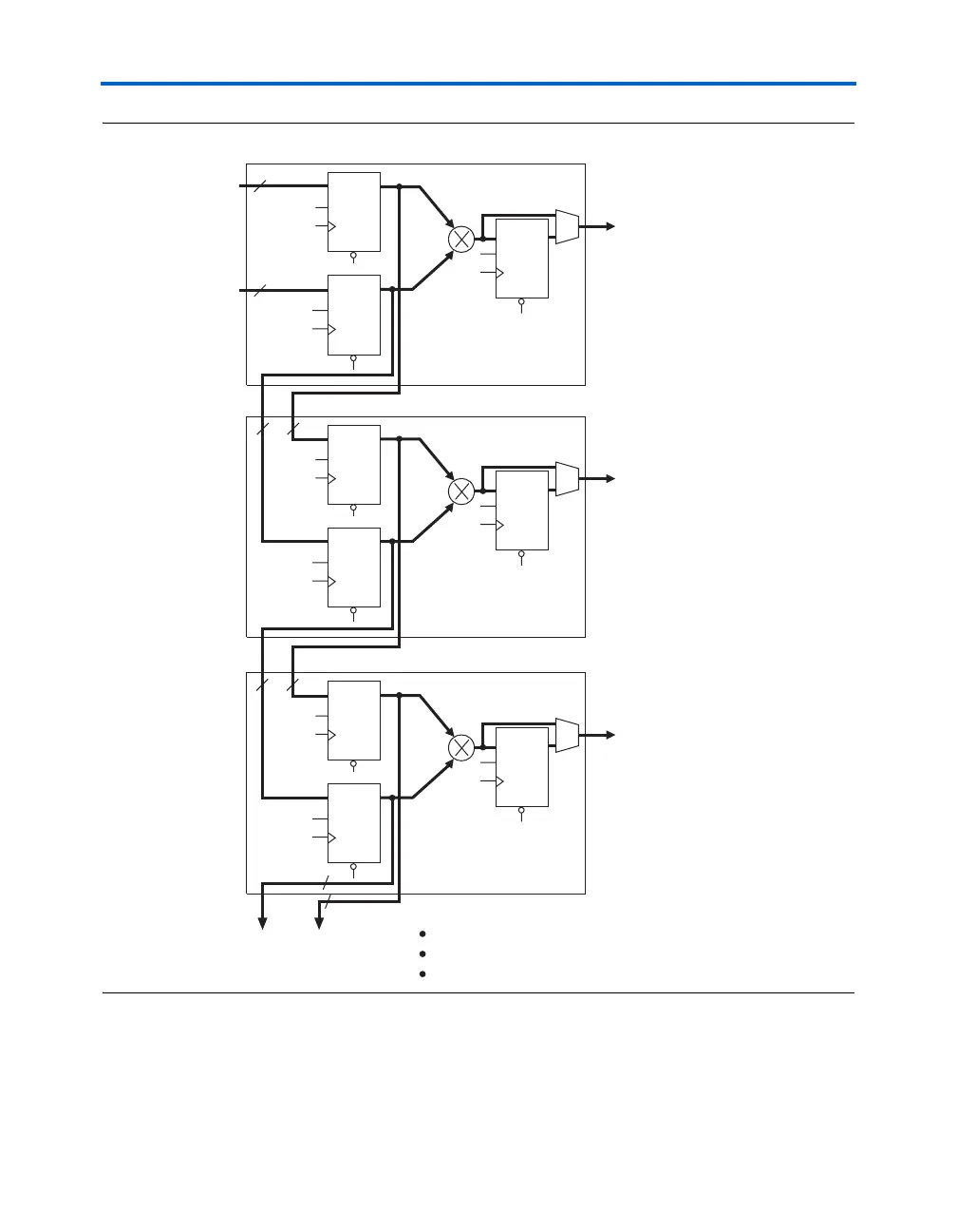
Figure 6–15. Input Shift Registers Configured for a FIR Filter
CLRN
D
Q
ENA
Data A
Data B
A[n] × B[n] (to adder)
CLRN
D Q
ENA
CLRN
D
Q
ENA
CLRN
D
Q
ENA
Data A
Data B
A[n - 1] × B[n - 1] (to adder)
CLRN
D
Q
ENA
CLRN
D Q
ENA
CLRN
D
Q
ENA
Data A
Data B
A[n - 2] × B[n - 2] (to adder)
CLRN
D
Q
ENA
CLRN
D
Q
ENA

Table of Contents

Related product manuals