EasyManua.ls Logo

Altera Stratix - Summary

Altera Stratix
572 pages
Print Icon
To Next Page IconTo Next Page
To Next Page IconTo Next Page
To Previous Page IconTo Previous Page
To Previous Page IconTo Previous Page
Loading...
Altera Corporation 5–75
July 2005 Stratix Device Handbook, Volume 2
High-Speed Differential I/O Interfaces in Stratix Devices
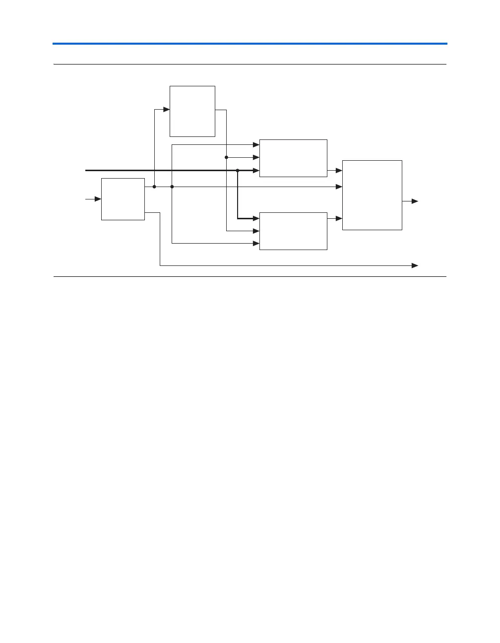
Figure 5–48. SERDES Bypass LVDS Transmitter with Logic Array as Deserializer
Summary
The Stratix device family of flexible, high-performance, high-density
PLDs delivers the performance and bandwidth necessary for complex
system-on-a-programmable-chip (SOPC) solutions. Stratix devices
support multiple I/O protocols to interface with other devices within the
system. Stratix devices can easily implement processing-intensive data-
path functions that are received and transmitted at high speeds. The
Stratix family of devices combines a high-performance enhanced PLD
architecture with dedicated I/O circuitry in order to provide I/O
standard performances of up to 840 Mbps.
PLL
Counter
Shift
Register
Shift
Register
DDR
Output
Clock
×1 clock
×4 clock
data_h
data_l
Data[7..0]
clock
clock
data
data
load
load
Serial
data out
tx_clk

Table of Contents

Related product manuals