EasyManua.ls Logo

Altera Stratix - Realignment Implementation

Altera Stratix
572 pages
Print Icon
To Next Page IconTo Next Page
To Next Page IconTo Next Page
To Previous Page IconTo Previous Page
To Previous Page IconTo Previous Page
Loading...
5–28 Altera Corporation
Stratix Device Handbook, Volume 2 July 2005
Receiver Data Realignment
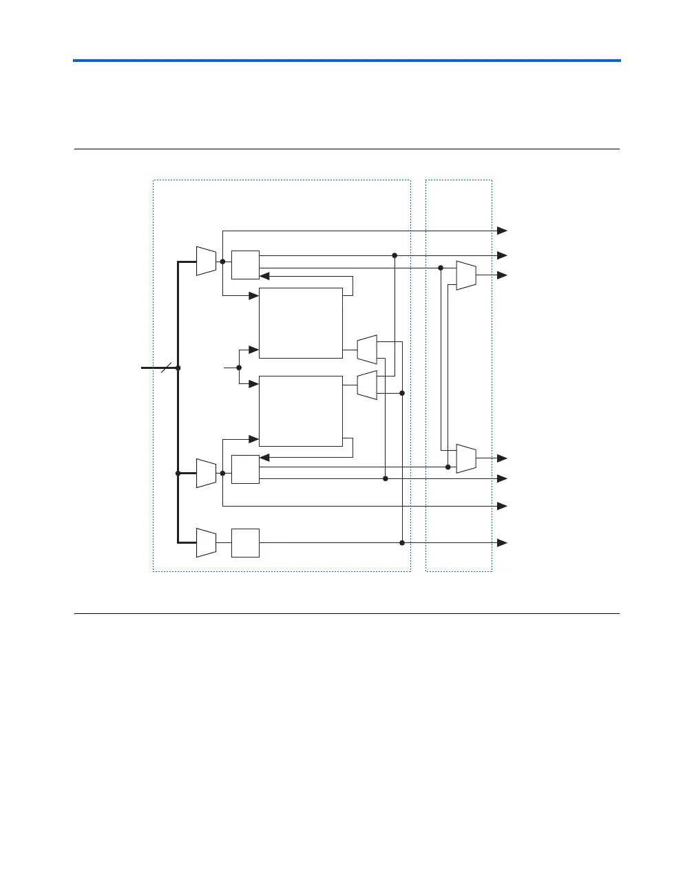
TXLOADEN signal is generated by the v counter, and when the v counter
is used for realignment, the TXLOADEN signal is generated by the k
counter, as shown in Figure 5–20.
Figure 5–20. Realignment Circuit TXLOADEN Signal Control Note (1)
Note to Figure 5–20:
(1) This figure does not show additional realignment circuitry.
Realignment Implementation
The realignment signal (SYNC) is used for data realignment and
reframing. An external pin (RX_DATA_ALIGN) or an internal signal
controls the rx_data_align node end. When the rx_data_align
node end is asserted high for at least two low-frequency clock cycles, the
RXLOADEN signal is delayed by one high-frequency clock period and the
parallel bits shift by one bit. Figure 5–21 shows the timing relationship
between the high-frequency clock, the RXLOADEN signal, and the parallel
data.
8
÷
v
÷
k
×1 CLK2 to logic array
×1 CLK1 to logic array
CLK1 LVDS
Circuitry
CLK2 LVDS
Circuitry
GCLK/LCLK
TXLOADEN
RXLOADEN
÷
l
PLL Output
Clock
Distribution
Circuitry
Counter Circuitry
Sync S1
Realignment CLK
Sync S2
Realignment CLK
SYNC
Data
Realignment
Circuit
Data
Realignment
Circuit

Table of Contents

Related product manuals