EasyManua.ls Logo

Altera Stratix - Single-Port Mode; Designing with Trimatrix Memory

Altera Stratix
572 pages
Print Icon
To Next Page IconTo Next Page
To Next Page IconTo Next Page
To Previous Page IconTo Previous Page
To Previous Page IconTo Previous Page
Loading...
Altera Corporation 2–23
July 2005 Stratix Device Handbook, Volume 2
TriMatrix Embedded Memory Blocks in Stratix & Stratix GX Devices
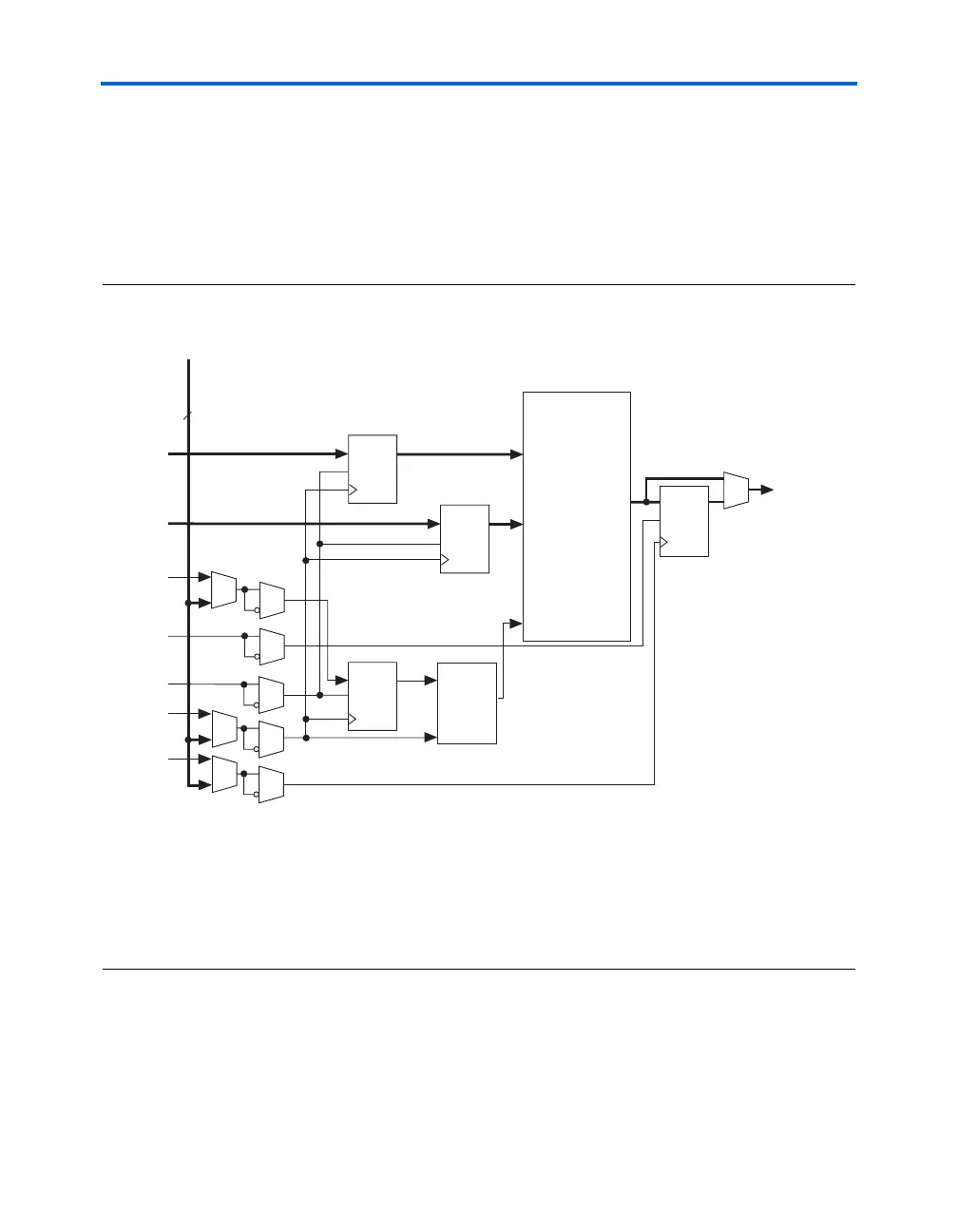
Single-Port Mode
The TriMatrix memory blocks can implement single-port clock mode for
single-port memory mode. Single-port mode is used when simultaneous
reads and writes are not required. See Figure 2–13. A single block in a
memory block can support up to two single-port mode RAM blocks in
M4K blocks.
Figure 2–13. Single-Port Mode Notes (1), (2), (3)
Notes to Figure 2–13:
(1) For more information on the MultiTrack interconnect, see the Stratix Device Family Data Sheet section of the Stratix
Device Handbook, Volume 1 or the Stratix GX Device Family Data Sheet section of the Stratix GX Device Handbook,
Volume 1.
(2) All registers shown have asynchronous clear ports, except when using the M-RAM. M-RAM blocks have
asynchronous clear ports on their output registers only.
(3) Violating the setup or hold time on the address registers could corrupt the memory contents. This applies to both
read and write operations.
Designing With
TriMatrix
Memory
When instantiating TriMatrix memory you must understand the various
features that set it apart from other memory architectures. The following
sections describe some of the important attributes and functionality of
TriMatrix memory.
8
D
ENA
Q
D
ENA
Q
D
ENA
Q
D
ENA
Q
data[ ]
address[ ]
RAM/ROM
256 × 16
512 × 8
1,024 × 4
2,048 × 2
4,096 × 1
Data In
Address
Write Enable
Data Out
outclken
inclken
inclock
outclock
Write
Pulse
Generator
wren
8 LAB Row
Clocks
To MultiTrac
k
Interconnect

Table of Contents

Related product manuals