EasyManua.ls Logo

Altera Stratix - Maximum Output Current

Altera Stratix
572 pages
Print Icon
To Next Page IconTo Next Page
To Next Page IconTo Next Page
To Previous Page IconTo Previous Page
To Previous Page IconTo Previous Page
Loading...
14–8 Altera Corporation
Stratix Device Handbook, Volume 2 January 2005
Voltage Regulators
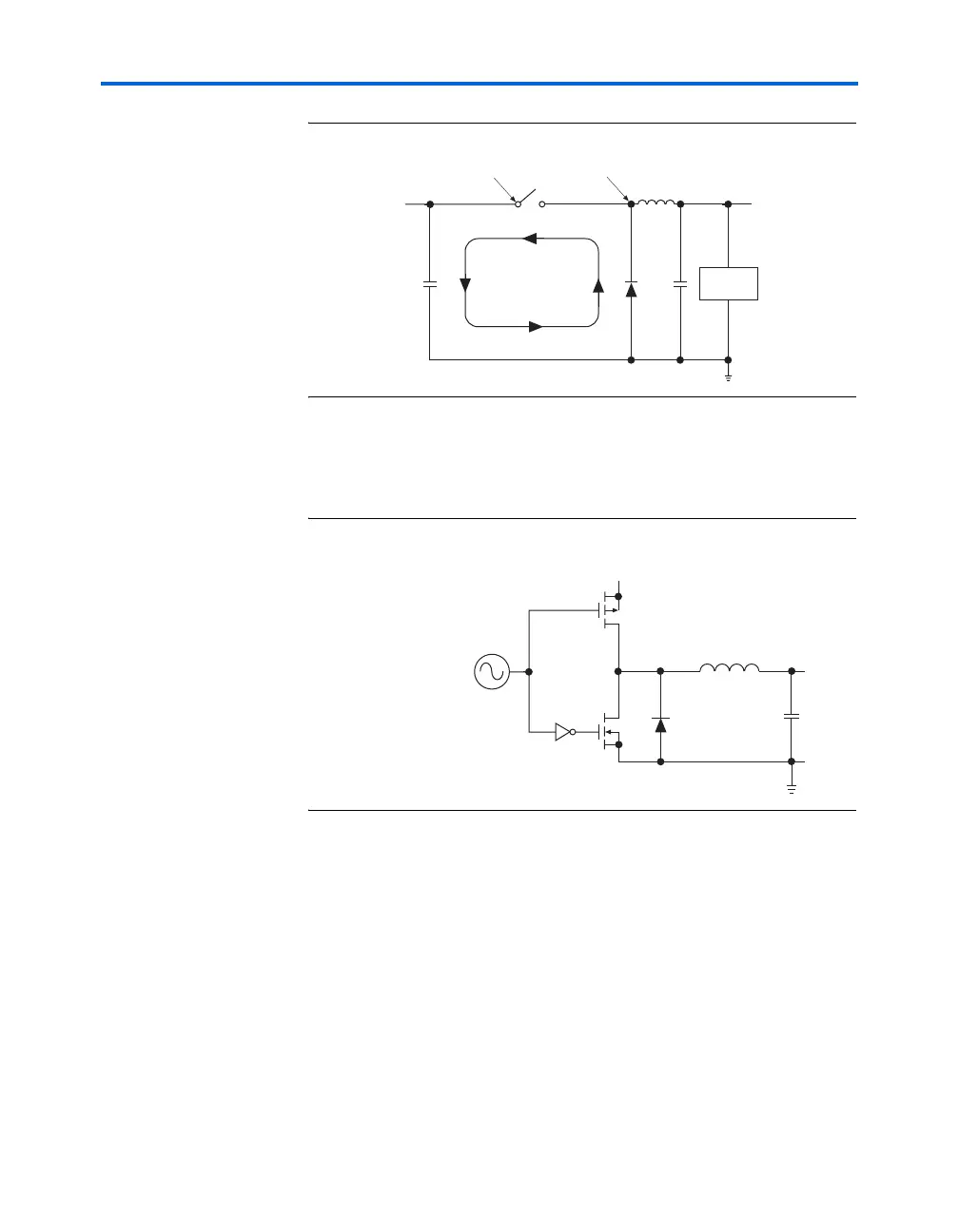
Figure 14–5. Asynchronous Switching Regulator
Synchronous switching regulators have a voltage- or current-controlled
oscillator that controls the on and off time of the two MOSFET devices
that supply the current to the circuit (see Figure 14–6).
Figure 14–6. Voltage-Controlled Synchronous Switching Regulator
Maximum Output Current
Select an external MOSFET switching transistor (optional) based on the
maximum output current that it can supply. Use a MOSFET with a low
on-resistance and a voltage rating high enough to avoid avalanche
breakdown. For gate-drive voltages less than 9-V, use a logic-level
MOSFET. A logic-level MOSFET is only required for topologies with a
controller IC and an external MOSFET.
High-Frequency
Circulating Path
LOAD
Switch Node
MOSFET
V
OUT
V
IN
V
IN
V
OUT
Voltage-Controlled
Oscillator (VCO)

Table of Contents

Related product manuals