EasyManua.ls Logo

Sinee EM500 - Page 338

Sinee EM500
459 pages
Print Icon
To Next Page IconTo Next Page
To Next Page IconTo Next Page
To Previous Page IconTo Previous Page
To Previous Page IconTo Previous Page
Loading...
EM500 Open-Loop Vector Control Inverter User Manual
338
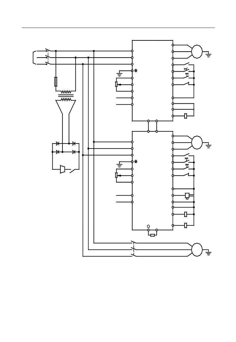
Brake control
Emergency stop
Emergency stop
Winding control
SB3
-2
RUN
JOG
Fault reset
Wire cut check
Fault reset
Diameter reset
RUN
Winding
Mode
Drawing
Mode
Pump
Winding motor
Drawing motor
L1
L2
L3
Line speed setting
Tension feedback
SB3
-1
BZ
KZ2
DI
30VAC
380VAC
TR
FU
Mains
Supply
KM
M3
TD
X
3(121)
+
GND
AI1
R
AI2
+10V
GND
U
W
V
S
T
Inverter
X1(1)
X2(89)
X6(9)
COM
PB
X4(10)
3--10K
M2
PLC
Y1(2)
EB
EC
TB
2
TC
2
KZ5-1
SB
4
KZ3-2
KZ3-3
KJ
KZ4
TC
I
TB
I
KZ5
E
C
EB
Y1(3)
+24V
M1
3--10K
MCCB
X3(10)
GND
M1
COM
X5(9)
X4(4)
X1(1)
Inverter
T
S
V
W
U
GND
+10V
AI1
R
PLC
KZ6
+24V
Y2(67)
KZ7
Traverse control
R1

Table of Contents

Related product manuals