EasyManua.ls Logo

Sinee EM500 - 8. MOTOR PARAMETER AUTOTUNING; 8.1 MOTOR PARAMETER AUTOTUNING; 8.2 PRECAUTIONS BEFORE AUTOTUNING

Sinee EM500
459 pages
Print Icon
To Next Page IconTo Next Page
To Next Page IconTo Next Page
To Previous Page IconTo Previous Page
To Previous Page IconTo Previous Page
Loading...
EM500 Open-Loop Vector Control Inverter User Manual
362
8. Motor Parameter Autotuning
8.1 Motor Parameter Autotuning
When inverter is in vector control mode, motor parameter autotuning is required.
However, if not, parameter autotuning is also suggested for acquiring higher control
precision at initial operation.
It’s not easy for user to obtain motor parameters required for the arithmetic at vector
control. EM500 provides the function of motor parameter autotuning. After the function
is enabled, inverter autotunes the relevant parameters of motor connected and saves them
to the internal memory. For definitions of motor parameters, please refer to Figure 8-1 for
specific meanings of 3-phase induction motor.
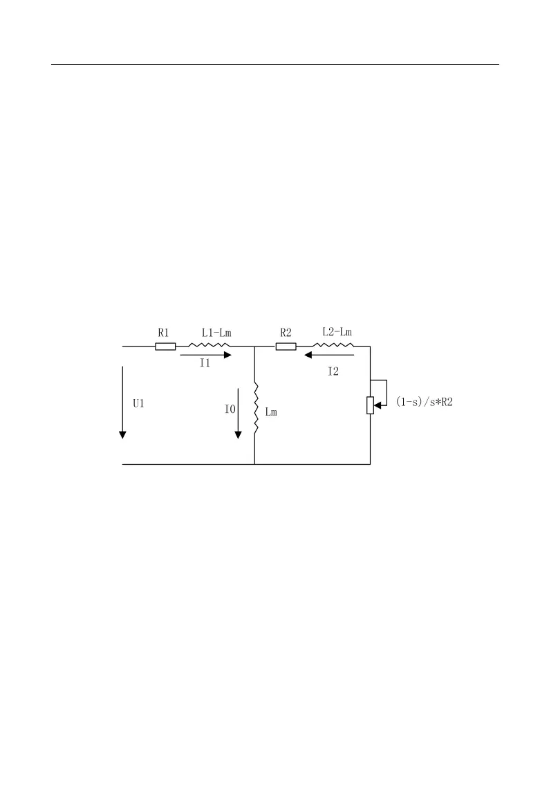
Figure 8-1 Equivalent Circuit of 3-Phase Induction Motor
In the figure, meanings of R1, R2, L1, L2, Lm and I0: Stator resistor, rotor resistor,
stator inductance, rotor inductance, stator & rotor mutual inductance, and idling
excitation current respectively; leakage inductance Ls=L-Lm.
8.2 Precautions Before Autotuning
Autotuning is a process of autotuning motor parameters. EM500 can autotune
motor parameters in 2 modes: stationary autotuning and rotational autotuning.
Stationary autotuning is applied to the occasions when motor can not be
disconnected from load, but inverter can obtain motor parameters.

Table of Contents

Related product manuals