EasyManua.ls Logo

Sinee EM500 - Standard Wiring of Control Circuit

Sinee EM500
459 pages
Print Icon
To Next Page IconTo Next Page
To Next Page IconTo Next Page
To Previous Page IconTo Previous Page
To Previous Page IconTo Previous Page
Loading...
EM500 Open-Loop Vector Control Inverter User Manual
59
D4
D3
D2
D1
F/R
RUN
PB
PE
A -
A+
GND
MC
S/L2
T/L3
R/L1
EM600
0V~24V/0mA~50mA
EC
EB
X1
X2
Y2
X5
X4
X6
X3
EA
M2
AI2
AI3
AI1
GND
MCCB
AC250V 10mA 3A
DC30V 10mA 3A
COM
COM
W
V
U
PE
3
2
1
1kΩ5kΩ
0-10V
0-10V/0-20mA
24V
200mA
10V
D5
X7
24V
PLC
+10V/20mA
0-10V/0-20mA
RC
RB
Y1
V
V/I
M1
RA
GND
COM
J7
J4
J9
J10
M
1
R1
R2
V
M1
S2
V
M2
I
S3
V
AI2
I
S4
V
AI3
I
S5
OFF
485
ON
S1
OFF
CAN
ON
S6
Braking Resistor
3-Phase
Power
Supply
Grounding
Grounding
24V Output
Keypad Interface
Multi-Function
Input Terminal
Function Extension Card
Interface
Relay Output Contact
Above DC30V 10mA: below 3A
Above AC250V 10mA: below 3A
1 kO – 5 kO
Frequency
Setting
Potentiometer
Multi-Function
OC Output
Communication
Interface
Grounding
Multi-Function
Analog Voltage
Output
M1 is analogy output ONLY for DC 0~10V.
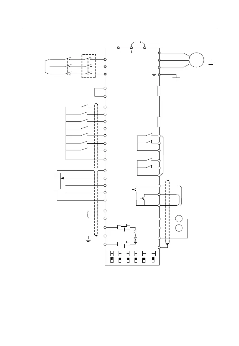
Figure 3-24 Standard Wiring of Control Circuit

Table of Contents

Related product manuals