EasyManua.ls Logo

Sinee EM500 - F28.01=0 Local Control; F28.01=1 Remote Control

Sinee EM500
459 pages
Print Icon
To Next Page IconTo Next Page
To Next Page IconTo Next Page
To Previous Page IconTo Previous Page
To Previous Page IconTo Previous Page
Loading...
EM500 Open-Loop Vector Control Inverter User Manual
349
No.
Function
Range
Unit
Default
Type
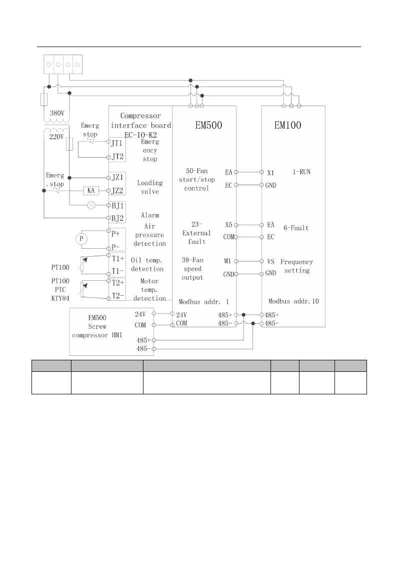
F28.01
Air compressor
start-stop way
0: Local control
1: Remote control
0
F28.01=0 Local control:
Remote control function (input terminal function code 79) is invalid, start and stop by
local control
F28.01=1 Remote control:
1. Local start remote control is invalid.
2. Remote control for the input terminal function (input function code 79), the system
starts when remote control is engaged, and shut down when disengaged, at this time, local

Table of Contents