EasyManua.ls Logo

Altera Stratix - Page 262

Altera Stratix
572 pages
Print Icon
To Next Page IconTo Next Page
To Next Page IconTo Next Page
To Previous Page IconTo Previous Page
To Previous Page IconTo Previous Page
Loading...
6–4 Altera Corporation
Stratix Device Handbook, Volume 2 July 2005
DSP Block Overview
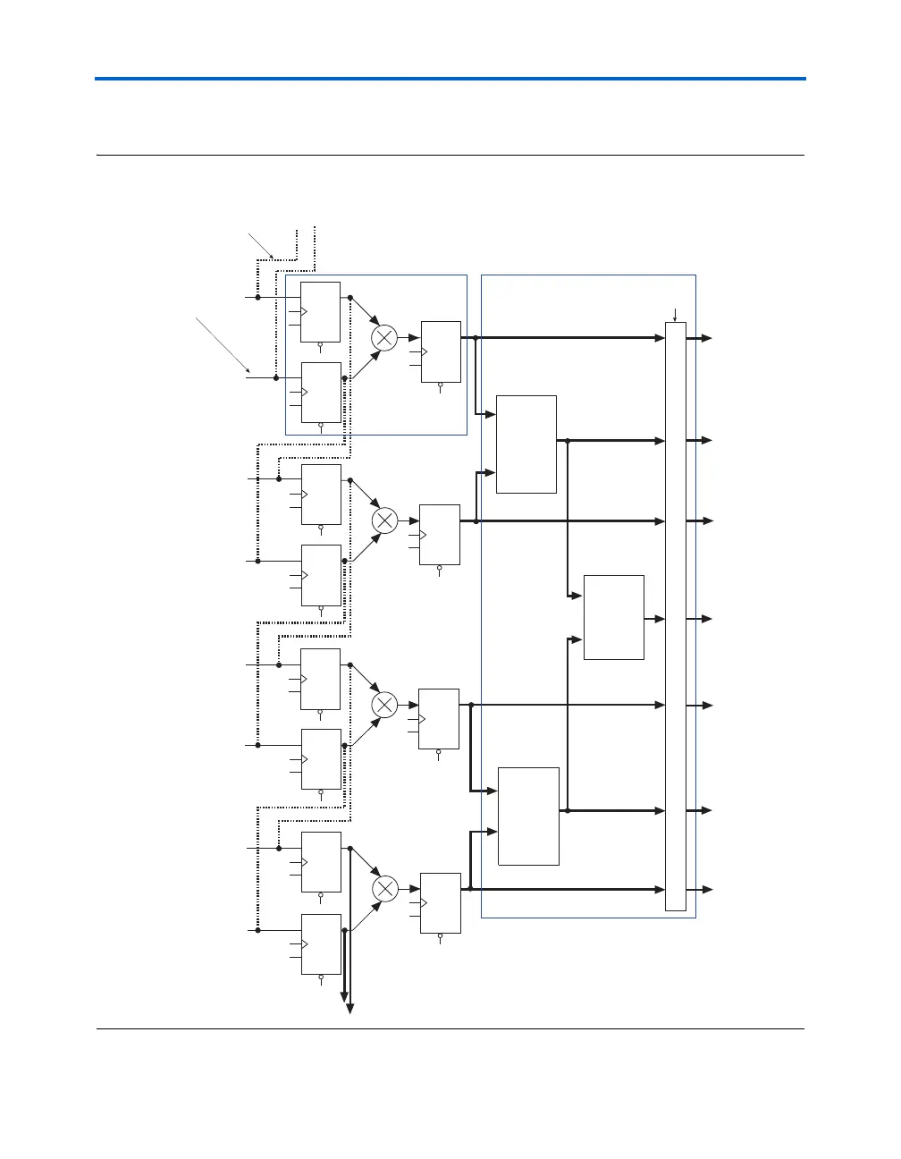
Figure 6–2 shows the DSP block operating as an 18 × 18 multiplier.
Figure 6–2. DSP Block in 18 × 18 Mode
Adder/
Subtractor/
Accumulator
Adder/
Subtractor/
Accumulator
Adder
Multiplier Block
Output
Register
PRN
CLRN
D
Q
ENA
PRN
CLRN
D
Q
ENA
PRN
CLRN
D
Q
ENA
PRN
CLRN
D
Q
ENA
PRN
CLRN
D
Q
ENA
PRN
CLRN
D
Q
ENA
PRN
CLRN
D
Q
ENA
PRN
CLRN
D
Q
ENA
PRN
CLRN
D
Q
ENA
PRN
CLRN
D
Q
ENA
PRN
CLRN
D
Q
ENA
PRN
CLRN
D
Q
ENA
Optional Serial Shift Register
Inputs from Previous
DSP Block
From the Row
Interface Block
Summation
Block
Pipeline
Register
Adder Output Block

Table of Contents

Related product manuals