EasyManua.ls Logo

B. Braun Dialog+ - 2.19 Flow Diagrams

B. Braun Dialog+
455 pages
Print Icon
To Next Page IconTo Next Page
To Next Page IconTo Next Page
To Previous Page IconTo Previous Page
To Previous Page IconTo Previous Page
Loading...
2. Technical System Description 1/2010 2 - 24
BA-TE-DE08C M.KAY
Dialog+ SW9xx_sm_Chapter 2_1-2010.doc/pdf <100329> yymmdd
B. Braun Avitum AG
Dialog
+
SW 9.xx
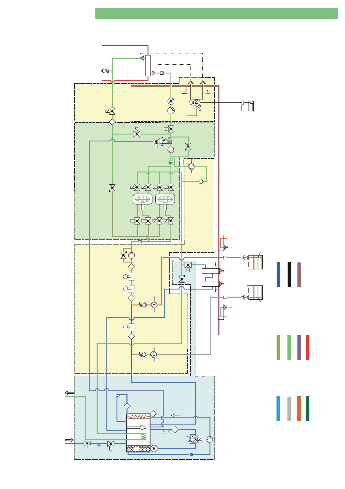
2.19 Flow Diagrams
2.19.1 Dialog+
EK
Water Inlet
Dialysate Outlet
KSB KSK
KE
BE
SKKSSKBS
SB2
SB1
RVUFP
C
D
V
A
VBP
B
C
FBK2
FBK1
KE
BE
V.D.
Z.D.
FKFB
FVD
Air
RVFPA
LAFS
KVABVA
RVDA
VZ
VLA
VDA
VABK2
VDABK2
VABK1
VDABK1
BK2
BK1
VEBK2
VDEBK2
VEBK1
VDEBK1
MSBK2
MSBK1
LA
UFP
ENDLF-S
SS
BIC
KSS
SBS2
SBS1
ENDLFBICLFTSBIC
TSD
RVFPE
BL
FPE
RVK
PDA
FPA
TSD-S
Water Sub-Rack
DF Sub-Rack
UF Sub-Rack
Balance Chamber
DMV
VVBE
TSE
TSH
H
NSVB
TSHE
EP
RVB
AB
BICP
Rinsing Bridge
T T
8
T
Dialyser
8
Dialysate Flow 1
Dialysate Flow 2
Dialysate
Air
Concentrate
Bicarbonate
Water
Blood Arterial
Blood Venous
Disinfectant
Housing
Central Concentrate
Supply
(Unit Rear)
Disinfectant
Central Bicarbonate
Supply
BIC Concentrate
Acid Concentrate
FD
LVD
VD
M
KP
T
A
D
T
8
VEB
FEP
PEV*
VB WT
PE
T
DDE VDETSDE
T
WAB

Table of Contents

Related product manuals