EasyManua.ls Logo

B. Braun Dialog+ - Pressure Build-Up VDABK

B. Braun Dialog+
455 pages
Print Icon
To Next Page IconTo Next Page
To Next Page IconTo Next Page
To Previous Page IconTo Previous Page
To Previous Page IconTo Previous Page
Loading...
3. Repair Instructions 1/2010 3 - 21
BA-TE-DE08C M.KAY
Dialog+ SW9xx_sm_Chapter 3_1-2010.doc/pdf <100329> yymmdd
B. Braun Avitum AG
Dialog
+
SW 9.xx
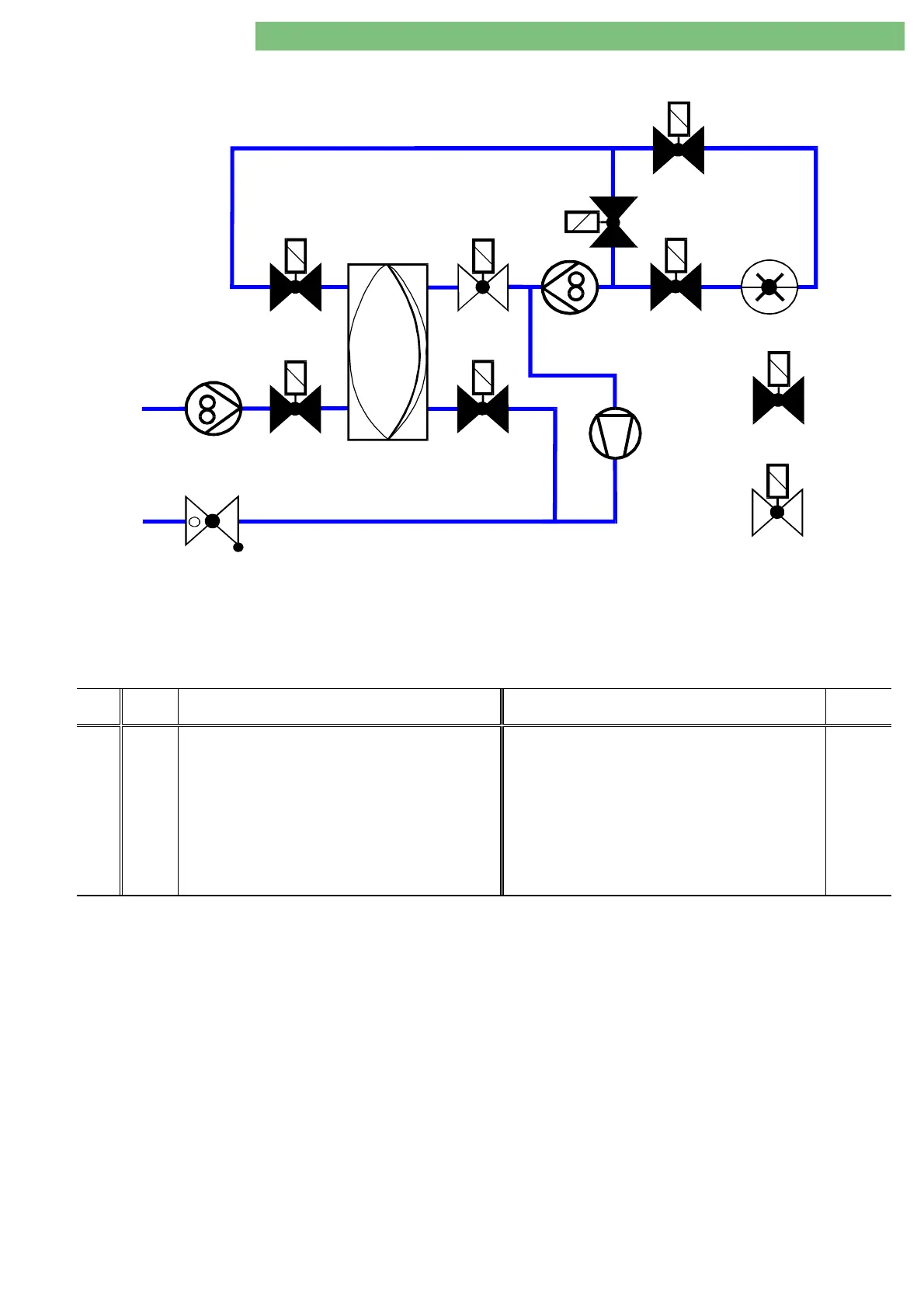
3.3.8.6 Pressure Build-up VDABK
open
offen
closed
geschlossen
PDA
VDA
UFP
FPE
FPA
VEBK
VDEBK
VABK
VDABK
VBP
VDE
RVDA
Fig. : Flow Diagram Pressure Build-up VDABK
If PDA < 425 mmHg: The speed for FPE and FPA is slowly set in increments of
200 min
-1
in 250 ms to a maximum flow of 500 ml/min and 100 ml/min
respectively.
The pressure build-up is completed if PDA is
425 mmHg for more than 1 s.
LLC Test
Code
LLC Test Steps LLS Test Steps LLS Test
Code
6.
1245x
Pressure build-up VDABK
FPE = 500 ml/min
FPA = 100 ml/min
Valve Status:
VEBK1/2, VDEBK1/2, VABK1/2 --------- opened
VDABK1/2 ----------------------------- closed
VBP, VDA, VDE------------------------ opened
Final Condition:
PDA
+425 mmHg for 1 s or timeout 60 s
12101

Table of Contents

Related product manuals