EasyManua.ls Logo

B. Braun Dialog+ - Dialog+ with BIC Option and DF Filter Option

B. Braun Dialog+
455 pages
Print Icon
To Next Page IconTo Next Page
To Next Page IconTo Next Page
To Previous Page IconTo Previous Page
To Previous Page IconTo Previous Page
Loading...
2. Technical System Description 1/2010 2 - 25
BA-TE-DE08C M.KAY
Dialog+ SW9xx_sm_Chapter 2_1-2010.doc/pdf <100329> yymmdd
B. Braun Avitum AG
Dialog
+
SW 9.xx
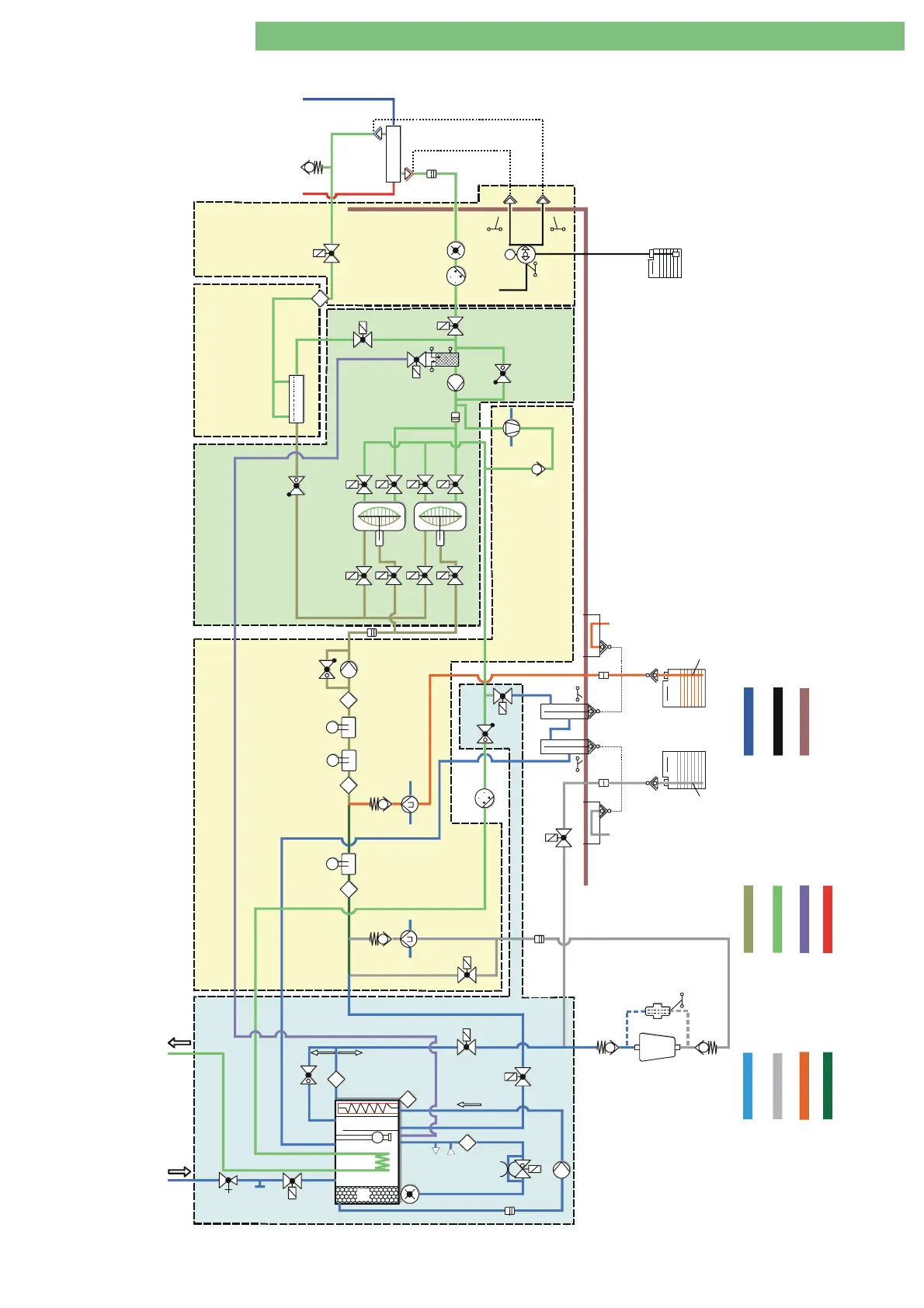
2.19.2 Dialog+ with BIC Option and DF Filter Option
EK
Water Inlet
Dialysate Outlet
KSB KSK
KE
BE
DF Filter *
SKKSSKBS
Kt/V-UV*
SB2
SB1
RVUFP
C
D
VA
DDE
VBP
B
C
FBK2
FBK1
KE
BE
V.D.
Z.D.
FKFB
FVD
Air
RVFPA
LAFS
KVA
BVA
RVDA
VZ
VLA
VDA
VABK2
VDABK2
VABK1
VDABK1
BK2
BK1
VEBK2
VDEBK2
VEBK1
VDEBK1
MSBK2
MSBK1
VDE
LA
UFP
ENDLF-S
SS
BIC
KSS
SBS2
SBS1
ENDLFBICLFTSBIC
TSD
RVFPE
BL
FPE
PDA
FPA
TSD-S
VBKS
*
Rear DoorWater Sub-Rack
DF Sub-Rack UF Sub-Rack
Balance Chamber
DMV
VVBE
TSE
H
NSVB
TSHE
VVB*
VBKO*
VBICP*
FBIC
Rinsing Bridge
RVBO*
DBK*
RVBU
SPA
BKUS
T
T
8
T
Dialyser
Dialysate Flow 1
Dialysate Flow 2
Dialysate
Air
Concentrate
Bicarbonate
Water
Blood Arterial
Blood Venous
Disinfectant
Housing
Options
Central Concentrate
Supply
(Unit Rear)
Disinfectant
Central Bicarbonate
Supply
BIC Concentrate
Acid Concentrate
FD
LVD
VD
M
KP
T
A
D
T
8
FEP
PEV*
VB WT
TSDE
T
WAB
TSH
T
PE
RVB
AB
BICP
EP
8
VEB
RVK

Table of Contents

Related product manuals