EasyManua.ls Logo

B. Braun Dialog+ - Membrane Movement to Inlet Side

B. Braun Dialog+
455 pages
Print Icon
To Next Page IconTo Next Page
To Next Page IconTo Next Page
To Previous Page IconTo Previous Page
To Previous Page IconTo Previous Page
Loading...
3. Repair Instructions 1/2010 3 - 25
BA-TE-DE08C M.KAY
Dialog+ SW9xx_sm_Chapter 3_1-2010.doc/pdf <100329> yymmdd
B. Braun Avitum AG
Dialog
+
SW 9.xx
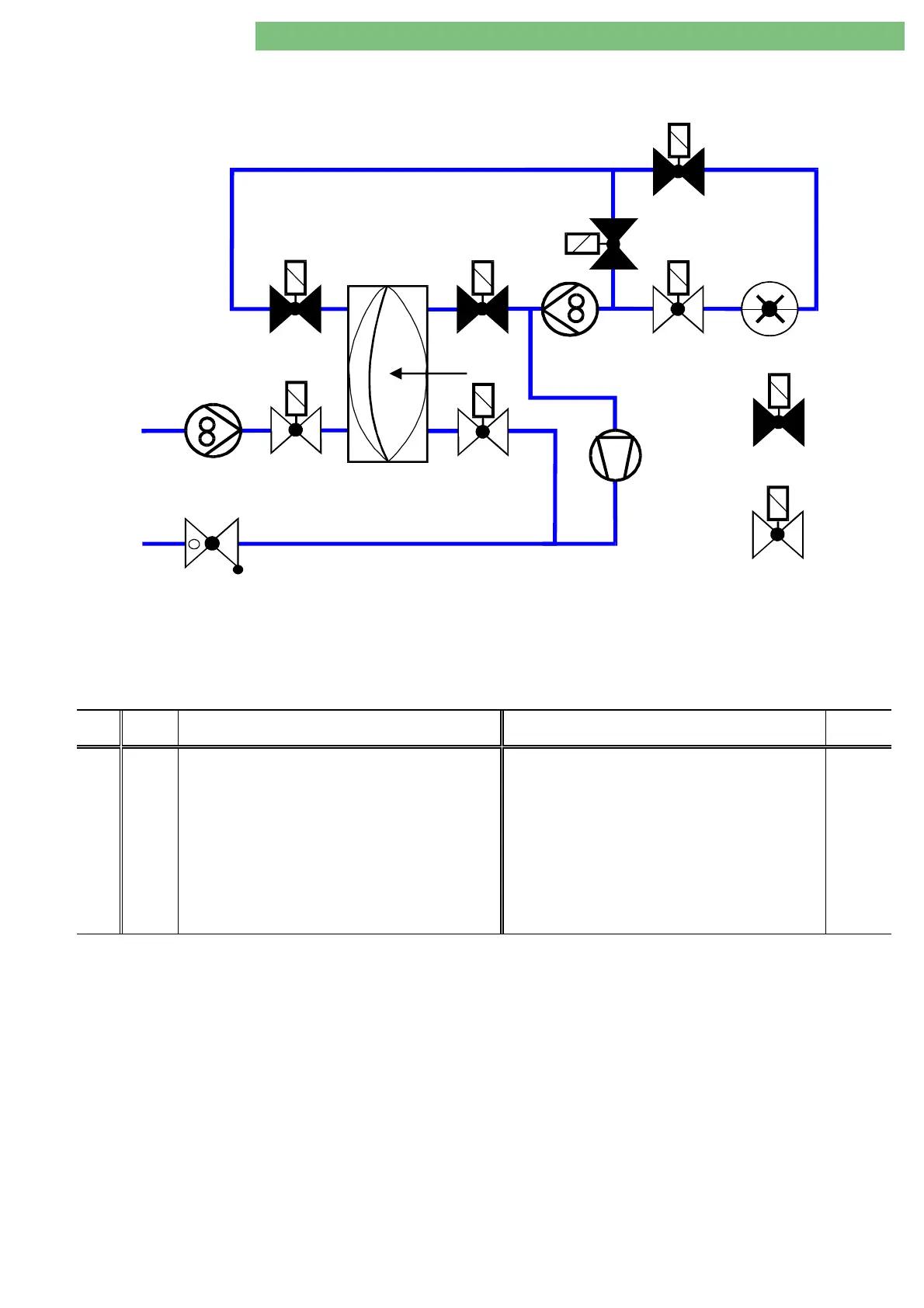
3.3.8.10 Membrane Movement to Inlet
Side
open
offen
closed
geschlossen
PDA
VDA
UFP
FPE
FPA
VEBK
VDEBK
VABK
VDABK
VBP
VDE
RVDA
Fig. : Flow Diagram Membrane Movement to Inlet Side
The FPA pump is driven with 1500 ml/min and moves the membrane to the
inlet side. Thus an overpressure is built up at the valves VABK1/2 for the next
test step. If the membrane is not in end position: Only the pressure of the
throttle DDE is built-up prior to the valves, due to the volume shift.
LLC Test
Code
LLC Test Steps LLS Test Steps LLS Test
Code
10.
1265x
Membrane movement
FPE = 500 ml/min
FPA = 1500 ml/min
Valve Status:
VEBK1/2, VABK1/2 --------------------- closed
VDEBK1/2, VDABK1/2 ----------------- opened
VBP, VDA, VDE------------------------ opened
Final Condition:
Test timeout 60 s or no increase of the values of
the membrane position sensors
12151

Table of Contents

Related product manuals