EasyManua.ls Logo

B. Braun Dialog+ - Membrane Movement;Pressure Build-Up VDABK

B. Braun Dialog+
455 pages
Print Icon
To Next Page IconTo Next Page
To Next Page IconTo Next Page
To Previous Page IconTo Previous Page
To Previous Page IconTo Previous Page
Loading...
3. Repair Instructions 1/2010 3 - 17
BA-TE-DE08C M.KAY
Dialog+ SW9xx_sm_Chapter 3_1-2010.doc/pdf <100329> yymmdd
B. Braun Avitum AG
Dialog
+
SW 9.xx
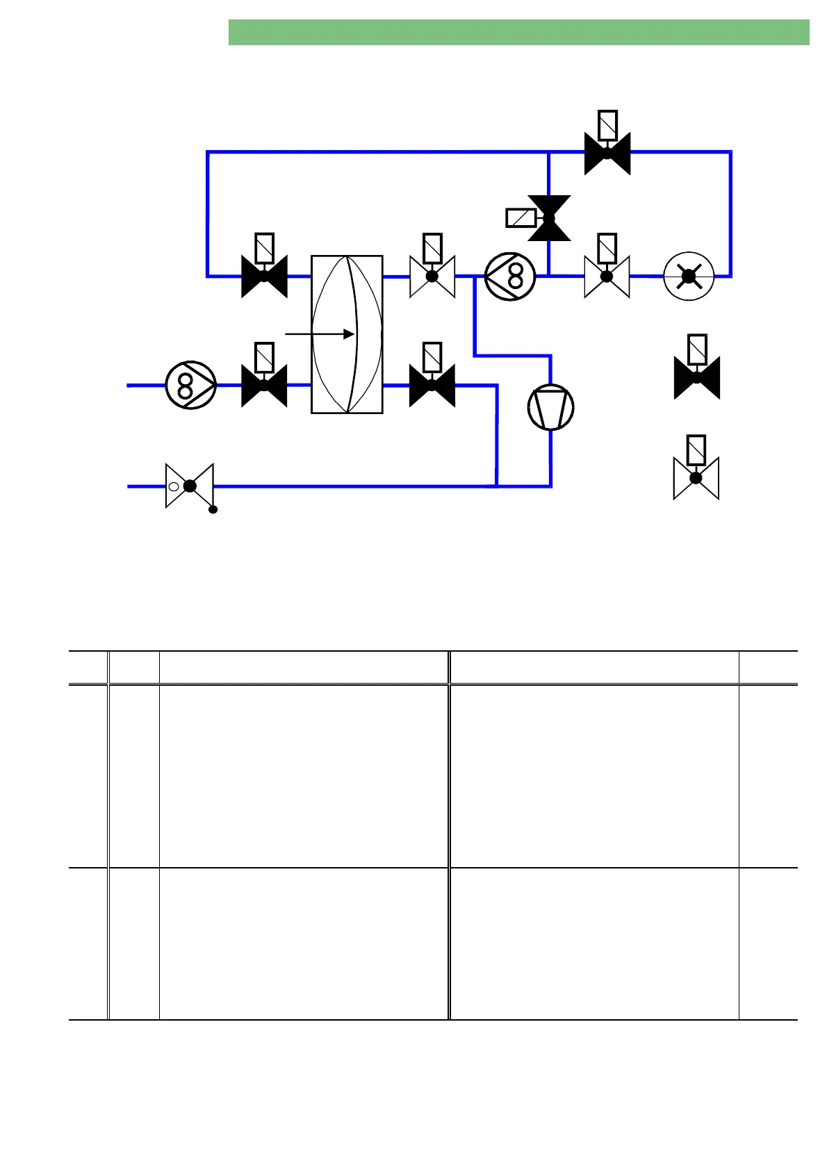
3.3.8.2 Membrane Movement/Pressure
Build-up VDABK
open
offen
closed
geschlossen
PDA
VDA
UFP
FPE
FPA
VEBK
VDEBK
VABK
VDABK
VBP
VDE
RVDA
Fig. : Flow Diagram Membrane Movement/Pressure Build-up VDABK
The speed for FPE and FPA are slowly set in increments of 200 min
-1
to a
maximum flow of 1500 ml/min and 10 ml/min respectively. The membrane
movement with the resulting pressure build-up is terminated after no further
drop of the values for the balance chamber sensors is detected. The membrane
is moved to the outlet.
LLC Test
Code
LLC Test Steps LLS Test Steps LLS Test
Code
1.
1220x
Membrane movement VDABK
FPE = 1500 ml/min
FPA = 20 ml/min
Valve Status:
VEBK1/2, VDEBK1/2, VABK1/2 ------------opened
VDABK1/2------------------------------ closed
VDE, VDA, VBP------------------------ opened
VLA ---------------------- open to vent for 5 s
Final Condition:
No further drop of the values for the balance
chamber sensors or timeout 60 s
Wait until VLA is detected as opened 12000
12019
2.
1221x
Pressure build-up VDABK
FPE = 1500 ml
/min
FPA = 20 ml/min
Valve Status:
VEBK1/2, VDEBK1/2, VABK1/2 ------------opened
VDABK1/2------------------------------ closed
VDE, VDA, VBP------------------------ opened
Final Condition:
PDA
+425 mmHg for 1 s or timeout 60 s
Wait until VLA is detected as closed 12020

Table of Contents

Related product manuals