EasyManua.ls Logo

B. Braun Dialog+ - VEBK Test

B. Braun Dialog+
455 pages
Print Icon
To Next Page IconTo Next Page
To Next Page IconTo Next Page
To Previous Page IconTo Previous Page
To Previous Page IconTo Previous Page
Loading...
3. Repair Instructions 1/2010 3 - 27
BA-TE-DE08C M.KAY
Dialog+ SW9xx_sm_Chapter 3_1-2010.doc/pdf <100329> yymmdd
B. Braun Avitum AG
Dialog
+
SW 9.xx
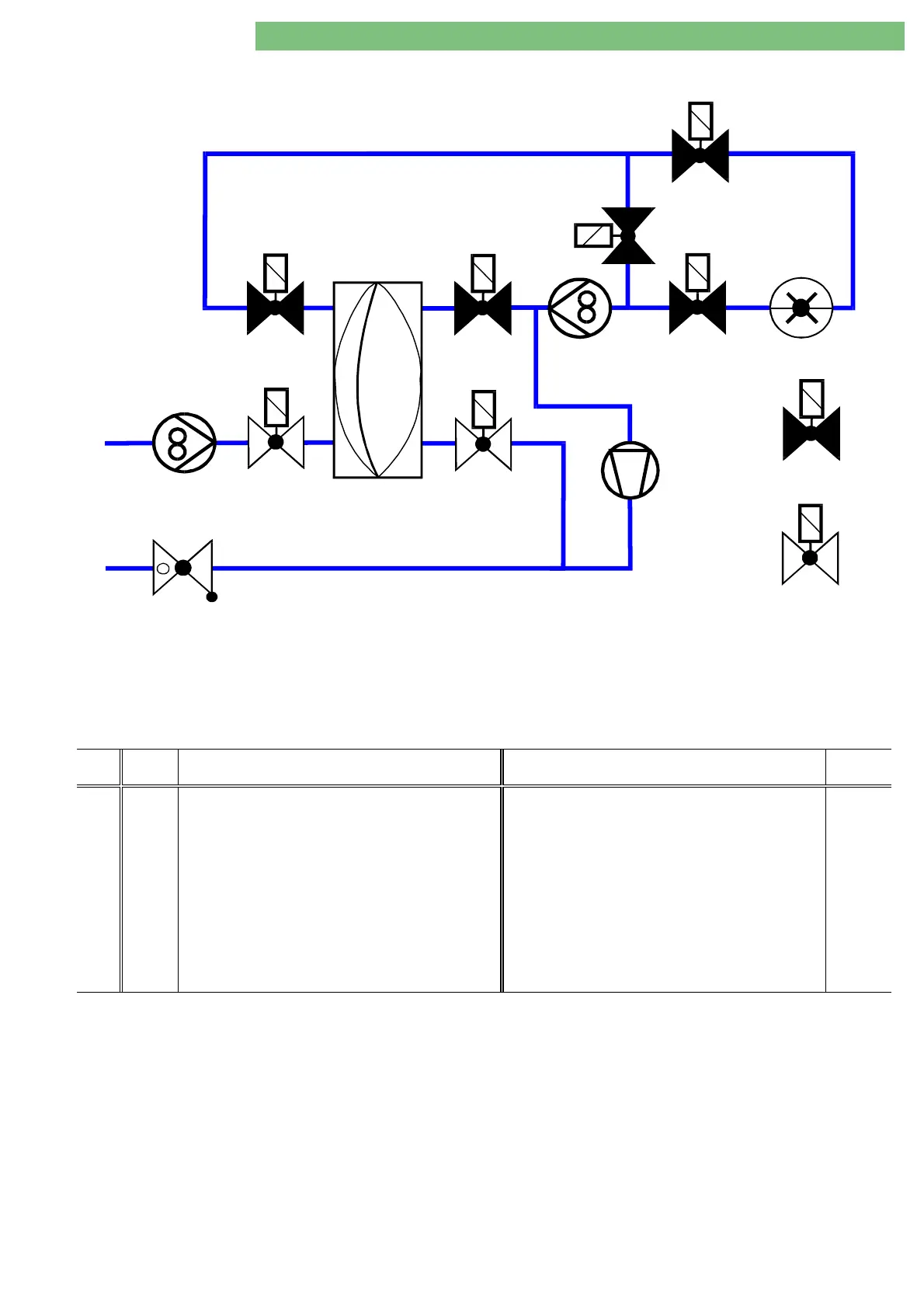
3.3.8.12 VEBK Test
open
offen
closed
geschlossen
PDA
VDA
UFP
FPE
FPA
VEBK
VDEBK
VABK
VDABK
VBP
VDE
RVDA
Fig. : Flow Diagram VEBK Test
Test VEBK1/2
VEBK is charged by the maximum delivery pressure from FPE (set at RVFPE). A
leakage of the valves leads to a pressure increase at PDA.
Test VABK1/2
VABK is charged by the maximum delivery pressure from FPA (set at RVFPA). A
leakage of the valves leads to a pressure increase at PDA.
LLC Test
Code
LLC Test Steps LLS Test Steps LLS Test
Code
12.
1275x
VEBK test
FPE = 800 ml/min
FPA = 500 ml/min
Valve Status:
VEBK1/2, VABK1/2 --------------------- closed
VDEBK1/2, VDABK1/2 ----------------- opened
VBP, VDE, VDA------------------------ opened
Final Condition:
Test timeout 60 s or wait for inversion of
LLS_SELFTESTBIT from LLS
Start condition for the test (5 s):
1. Correct valve position
2. UFP stopped (UF rate < 500 ml/h)
3. +300 mmHg < PDA < +450 mmHg
Test 10 s,
max. deviation
PDA < 25 mmHg,
Acknowledge with inversion of LLS_SELFTESTBIT
12151 –
12161
12162 –
12181
12182
12183

Table of Contents

Related product manuals