EasyManua.ls Logo

B. Braun Dialog+ - Pressure Reduction VDABK with UFP

B. Braun Dialog+
455 pages
Print Icon
To Next Page IconTo Next Page
To Next Page IconTo Next Page
To Previous Page IconTo Previous Page
To Previous Page IconTo Previous Page
Loading...
3. Repair Instructions 1/2010 3 - 18
BA-TE-DE08C M.KAY
Dialog+ SW9xx_sm_Chapter 3_1-2010.doc/pdf <100329> yymmdd
B. Braun Avitum AG
Dialog
+
SW 9.xx
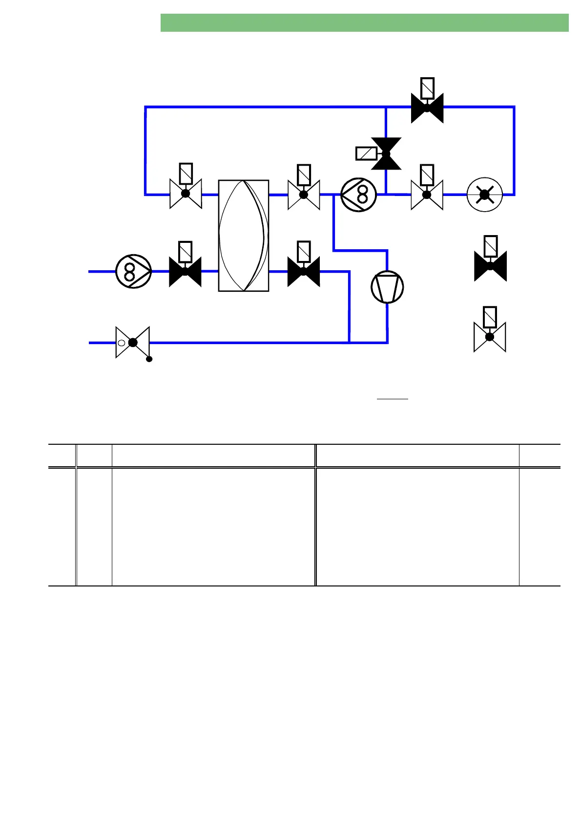
3.3.8.3 Pressure Reduction VDABK
with UFP
open
offen
closed
geschlossen
PDA
VDA
UFP
FPE
FPA
VEBK
VDEBK
VABK
VDABK
VBP
VDE
RVDA
Fig. : Flow Diagram Pressure Reduction VDABK with UFP
The pressure at PDA is reduced built-up to
380 mmHg with the UF pump
after the dialyser test circuit is closed. The UF pump is driven with 3000 ml/h.
VDA is closed during this pressure reduction. Thus the UF pump strokes are
damped via the extended flow path and no interferences are generated at PDA.
LLC Test
Code
LLC Test Steps LLS Test Steps LLS Test
Code
3.
1230x
Pressure reduction UFP
FPE = 500 ml/min
FPA = 100 ml/min
Valve Status:
VEBK1/2, VABK1/2 -----------------------opened
VDABK1/2, VDEBK1/2 ------------------- closed
VDE, VBP ----------------------------- opened
VDA----------------------------------- closed
Final Condition:
PDA
+380 mmHg or timeout 60 s
12021

Table of Contents

Related product manuals