EasyManua.ls Logo

B. Braun Dialog+ - Dialog+ HDF Online

B. Braun Dialog+
455 pages
Print Icon
To Next Page IconTo Next Page
To Next Page IconTo Next Page
To Previous Page IconTo Previous Page
To Previous Page IconTo Previous Page
Loading...
2. Technical System Description 1/2010 2 - 26
BA-TE-DE08C M.KAY
Dialog+ SW9xx_sm_Chapter 2_1-2010.doc/pdf <100329> yymmdd
B. Braun Avitum AG
Dialog
+
SW 9.xx
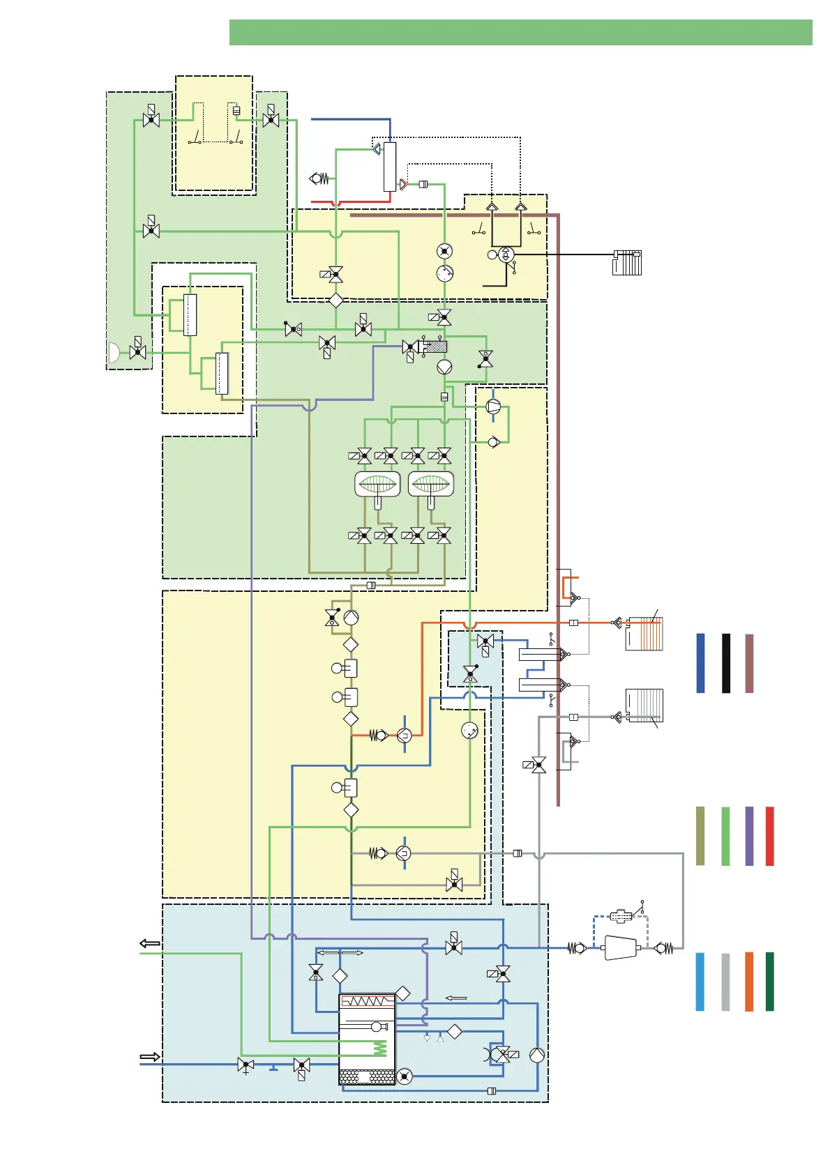
2.19.3 Dialog+ HDF Online
EK
Water Inlet
Dialysate Outlet
KSB
KSK
KE
BE
DF Filter
SKKSSKBS
PEV*
Kt/V-UV*
SB2
SB1
RVUFP
CD
FSU
VA
VSAEVSB
PSABF
PSAUS
VSAA
VDFF
HDF Filter
HFB
VBE
DDE
VBP
B
C
FBK2
FBK1
KE
BE
V.D.
Z.D.
FK
FB
FVD
Air
RVFPA
LAFS
KVABVA
RVDA
VZ
VLA
VDA
VABK2
VDABK2
VABK1
VDABK1
BK2
BK1
VEBK2
VDEBK2
VEBK1
VDEBK1
MSBK2
MSBK1
VDE
LA
UFP
SBS2
SBS1
BICLFTSBIC
RVFPE
BL
FPE
PDA
FPA
KP
VBKS
Front Door
Rear Door
Water Sub-Rack
DF Sub-Rack
TSE
VBICP*
Rinsing Bridge
RVBO*
DBK*
RVBU
SPA
BKUS
A
D
8
T
Dialyser
FD
LVD
VD
M
UF Sub-Rack
Balance Chamber
T
8
TSHE VBKO*
T
VVB*
FBIC
SS
BIC
KSS
DMV
VVBE
H
NSVB
VB
WT
ENDLF-SENDLF
TSD
TSD-S
T
T
*
Dialysate Flow 1
Dialysate Flow 2
Dialysate
AirConcentrate
Bicarbonate
Water
Blood Arterial
Blood Venous
Disinfectant
Housing
Options
Central Concentrate
Supply
Central Bicarbonate
Supply
BIC Concentrate
Acid Concentrate
(Unit Rear)
Disinfectant
FEP
TSDE
T
WAB
TSH
T
PE
RVB
AB
BICP
EP
8
VEB
RVK

Table of Contents

Related product manuals