EasyManua.ls Logo

B. Braun Dialog+ - Chemical Thermal Disinfection Program

B. Braun Dialog+
455 pages
Print Icon
To Next Page IconTo Next Page
To Next Page IconTo Next Page
To Previous Page IconTo Previous Page
To Previous Page IconTo Previous Page
Loading...
2. Technical System Description 1/2010 2 - 36
BA-TE-DE08C M.KAY
Dialog+ SW9xx_sm_Chapter 2_1-2010.doc/pdf <100329> yymmdd
B. Braun Avitum AG
Dialog
+
SW 9.xx
2.20.9
Chemical Thermal Disinfection Program
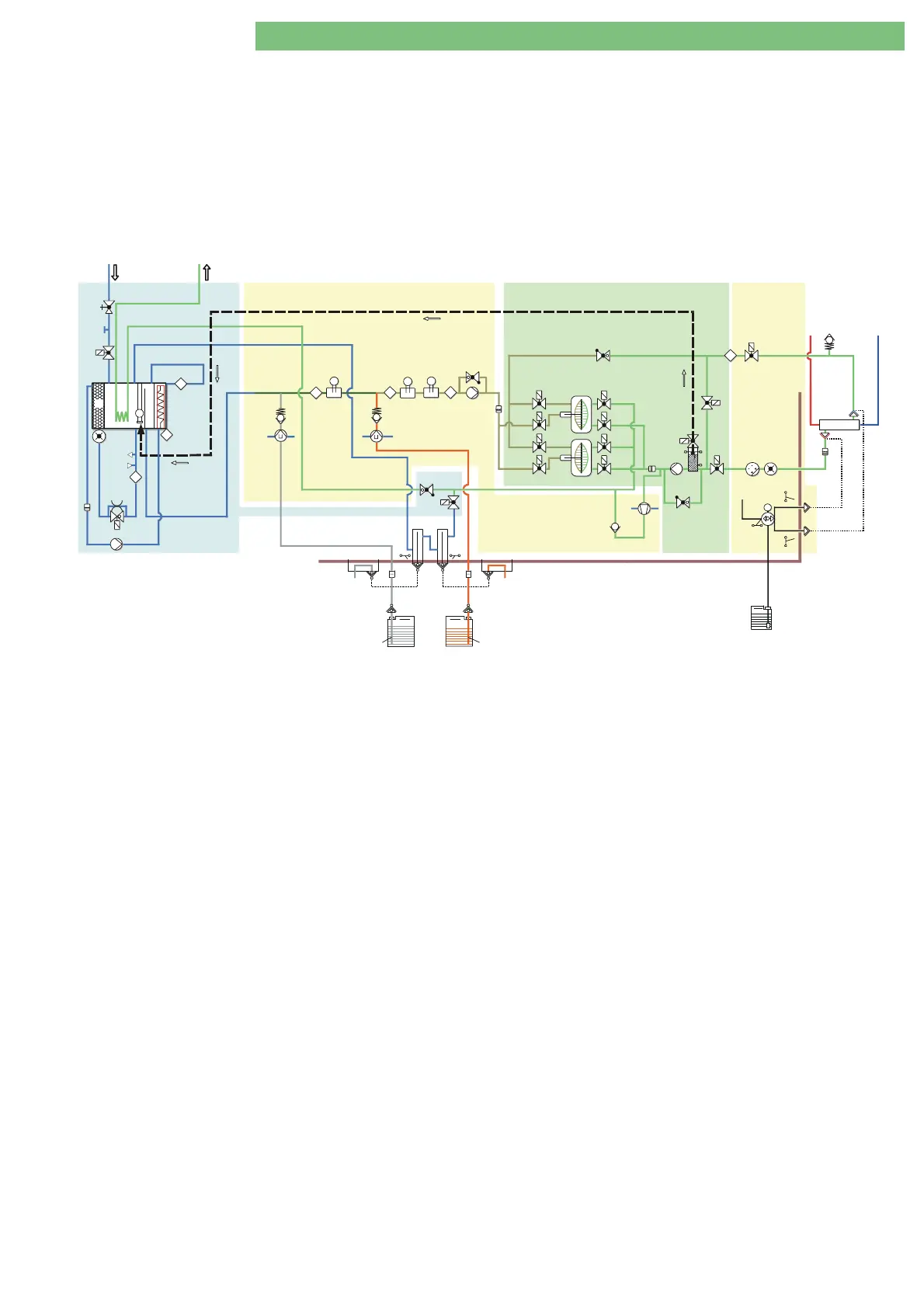
Phase 1
The position of the couplings is checked by the sensors BICSS, KSS, SBS1 and
SBS2. The machine starts to rinse as soon as the disinfection menu is entered.
After the disinfection type is selected the machine will rinse for 3 minutes and
preheat the system to 45
o
C. During this phase all pumps (EP, FPE, FPA, BICP,
KP, UFP) run and the valves are switched so that any residual concentrate is
rinsed from the complete hydraulic circuit.
Phase 2
The air separator LA is filled with water via VLA. The upline tank VB is emptied,
until the bottom NSVB is on, which switches off the heater H (VVBE is closed).
EK
KSB KSK
KE
BE
SKKSSKBS
SB2
SB1
RVUFP
C
D
VBP
B
C
FBK2
FBK1
KE
BE
V.D.
Z.D.
FKFB
FVD
RVFPA
LAFS
KVA
BVA
RVDA
VZ
VLA
VDA
VABK2
VDABK2
VABK1
VDABK1
BK2
BK1
VEBK2
VDEBK2
VEBK1
VDEBK1
MSBK2
MSBK1
LA
UFP
ENDLF-S
SS
BIC
KSS
SBS2
SBS1
ENDLFBICLFTSBIC
TSD
RVFPE
BL
FPE
PDA
FPA
TSD-S
DMV
VVBE
TSE
H
NSVB
TSHE
T
T
8
T
FD
LVD
VD
M
A
D
T
8
VB WT
FEP
T
V
A
PEV*
DDE
VDETSDE
T
WAB
EP
VEB
PE TSH
T
8
RVK
RVB
A
B
BICP
KP
Fig. : Phase 2

Table of Contents

Related product manuals