EasyManua.ls Logo

B. Braun Dialog+ - Membrane Test

B. Braun Dialog+
455 pages
Print Icon
To Next Page IconTo Next Page
To Next Page IconTo Next Page
To Previous Page IconTo Previous Page
To Previous Page IconTo Previous Page
Loading...
3. Repair Instructions 1/2010 3 - 23
BA-TE-DE08C M.KAY
Dialog+ SW9xx_sm_Chapter 3_1-2010.doc/pdf <100329> yymmdd
B. Braun Avitum AG
Dialog
+
SW 9.xx
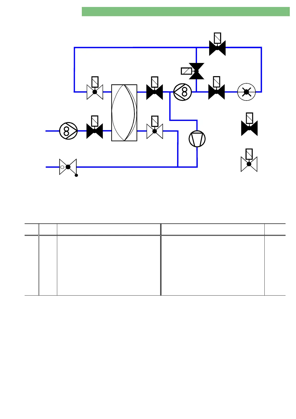
3.3.8.8 Membrane Test
open
offen
closed
geschlossen
PDA
VDA
UFP
FPE
FPA
VEBK
VDEBK
VABK
VDABK
VBP
VDE
RVDA
Fig. : Flow Diagram Membrane Test
Test Membrane
The membrane is loaded with a pressure of 1.3 bar due to the high speed of FPE
with a flow of 800 ml/min. A leakage would cause a pressure increase at PDA.
FPA runs with a slow speed during this test to prevent a back pressure.
Test VDEBK
A leakage of the valve leads to a pressure increase at PDA.
LLC Test
Code
LLC Test Steps LLS Test Steps LLS Test
Code
8.
1255x
Membrane test
FPE = 800 ml/min
FPA = 20 ml/min
Valve Status:
VEBK1/2, VDABK1/2------------------- opened
VDEBK1/2, VABK1/2-------------------- closed
VBP, VDE, VDA------------------------ opened
Final Condition:
Test timeout 60 s or wait for inversion of
LLS_SELFTESTBIT from LLS
Start condition for the test (10 s):
1. Correct valve position
2. UFP stopped (UF rate < 500 ml/h)
3. +300 mmHg < PDA < +450 mmHg
Test 10 s,
max. deviation
PDA < 25 mmHg,
Acknowledge with inversion of LLS_SELFTESTBIT
12101 –
12121
12122 –
12131
12132
12133

Table of Contents

Related product manuals