EasyManua.ls Logo

B. Braun Dialog+ - Pressure Reduction VABK with UFP

B. Braun Dialog+
455 pages
Print Icon
To Next Page IconTo Next Page
To Next Page IconTo Next Page
To Previous Page IconTo Previous Page
To Previous Page IconTo Previous Page
Loading...
3. Repair Instructions 1/2010 3 - 26
BA-TE-DE08C M.KAY
Dialog+ SW9xx_sm_Chapter 3_1-2010.doc/pdf <100329> yymmdd
B. Braun Avitum AG
Dialog
+
SW 9.xx
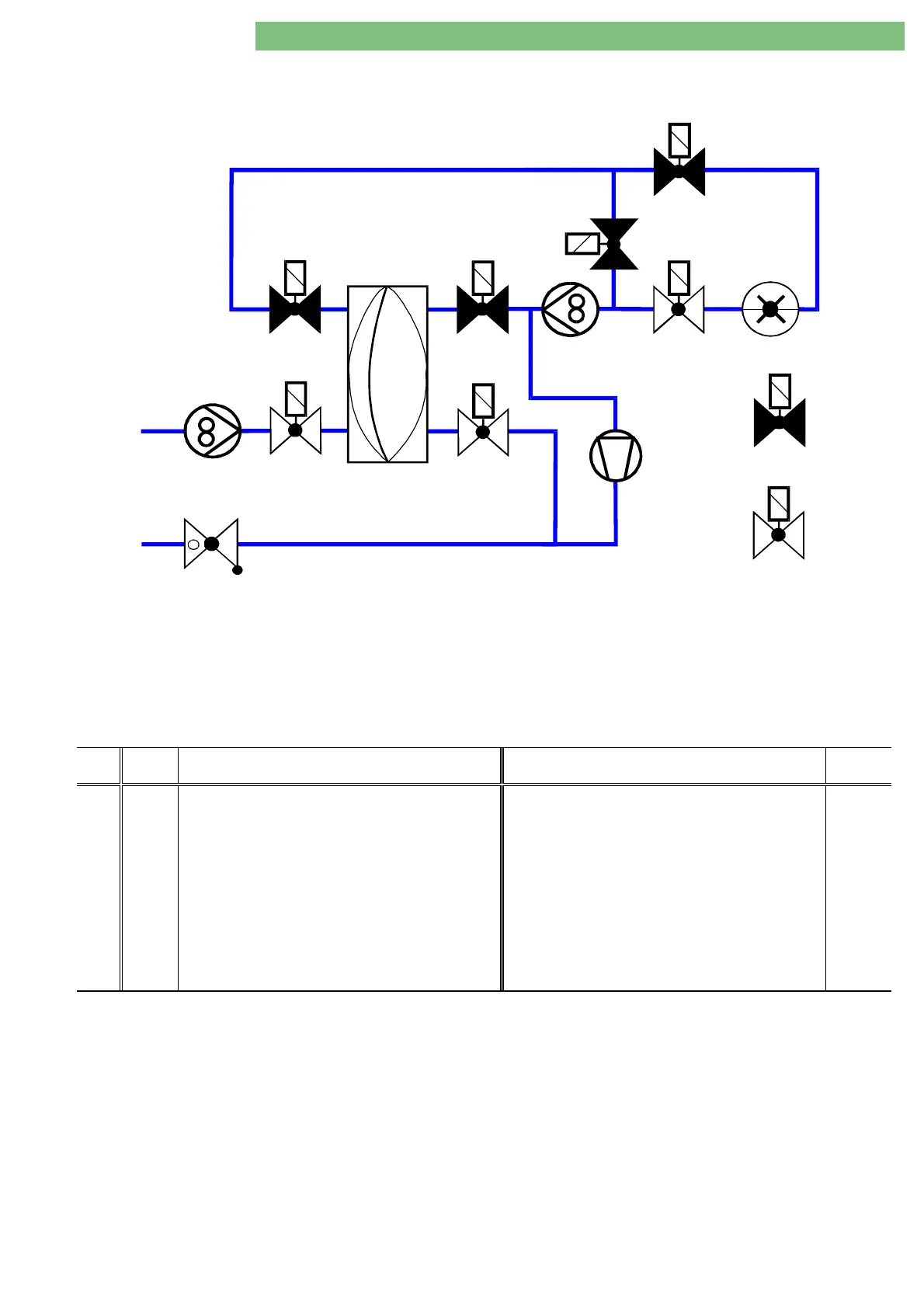
3.3.8.11 Pressure Reduction VABK with
UFP
open
offen
closed
geschlossen
PDA
VDA
UFP
FPE
FPA
VEBK
VDEBK
VABK
VDABK
VBP
VDE
RVDA
Fig. : Flow Diagram Pressure Reduction VABK with UFP
The pressure at PDA is reduced to
380 mmHg with the UF pump. The UF
pump is driven with 3000 ml/h. VDA is closed during this pressure reduction.
Thus the UF pump strokes are damped via the extended flow path and no
interferences are generated at PDA. The valve VZ is opened so that the high
pre-pressure at RVDA can be reduced to the outlet side and that a sufficient
pressure gradient is present at VABK and UFP for the next test.
LLC Test
Code
LLC Test Steps LLS Test Steps LLS Test
Code
11.
1270x
Pressure reduction with UFP
FPE = 500 ml/min
FPA = 500 ml/min
Valve Status:
VEBK1/2, VABK1/2 --------------------- closed
VDEBK1/2, VDABK1/2 ----------------- opened
VBP, VDE ----------------------------- opened
VDA----------------------------------- closed
VZ ----------------------------------- opened
Final Condition:
PDA
+380 mmHg or timeout 60 s
12151

Table of Contents

Related product manuals