EasyManua.ls Logo

B. Braun Dialog+ - VBP Test

B. Braun Dialog+
455 pages
Print Icon
To Next Page IconTo Next Page
To Next Page IconTo Next Page
To Previous Page IconTo Previous Page
To Previous Page IconTo Previous Page
Loading...
3. Repair Instructions 1/2010 3 - 19
BA-TE-DE08C M.KAY
Dialog+ SW9xx_sm_Chapter 3_1-2010.doc/pdf <100329> yymmdd
B. Braun Avitum AG
Dialog
+
SW 9.xx
3.3.8.4 VBP Test
open
offen
closed
geschlossen
PDA
VDA
UFP
FPE
FPA
VEBK
VDEBK
VABK
VDABK
VBP
VDE
RVDA
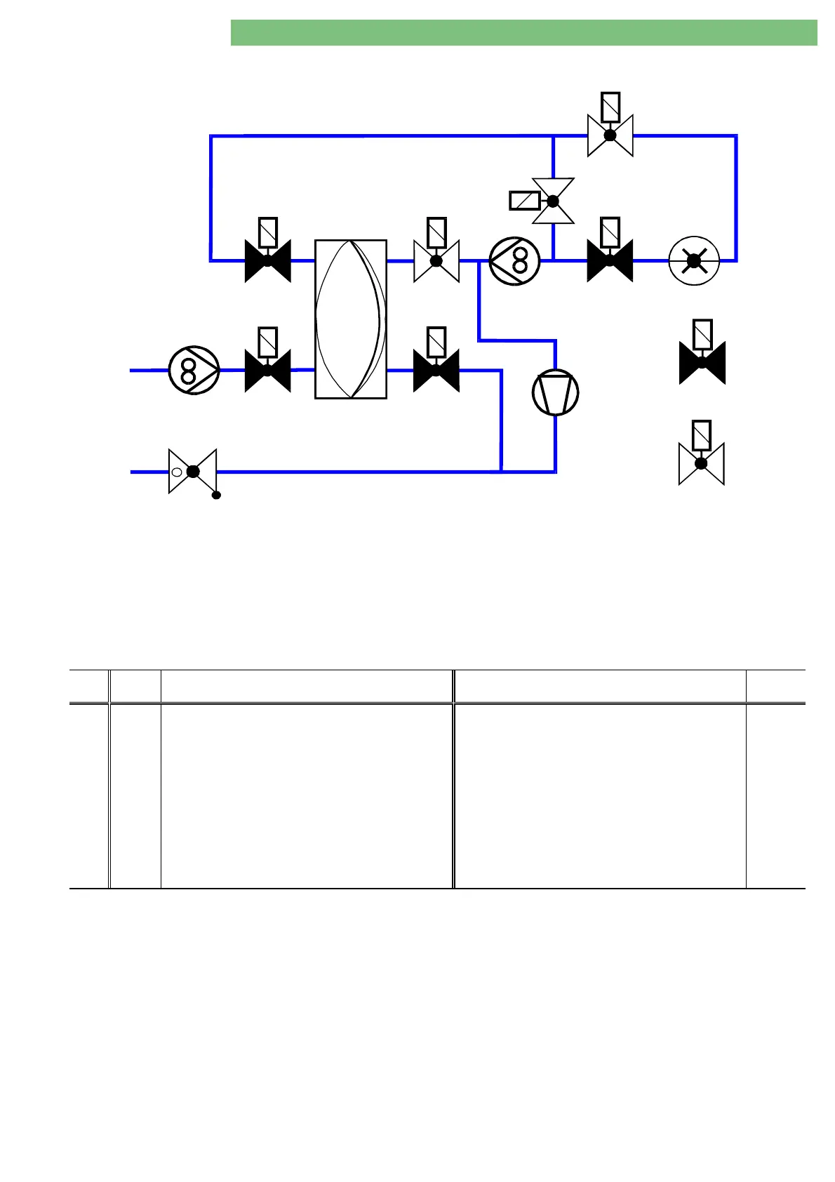
Fig. : Flow Diagram VBP Test
A pressure drop indicates a leakage at any component, e.g. rinse bridge,
dialyser, UF pump, o-ring etc..
Test VDE/VBP
A leakage of the valves leads to a pressure increase at PDA.
Test VDABK
A leakage of the valve leads to a pressure increase at PDA.
Timeout
30 s
LLC Test
Code
LLC Test Steps LLS Test Steps LLS Test
Code
4.
1235x
VBP test
FPE = 800 ml/min
FPA = 100 ml/min
Valve Status:
VEBK1/2, VABK1/2, VDEBK1/2 ------------opened
VDABK1/2------------------------------ closed
VDE, VBP ------------------------------ closed
VDA---------------------------------- opened
Final Condition:
Test timeout 30 s or wait for inversion of
LLS_SELFTESTBIT from LLS
Start condition for the test (2.5 s):
1. Correct valve position
2. UFP stopped (UF rate < 500 ml/h)
3. 300 mmHg < PDA < +450 mmHg
Test 5 s,
max. deviation
PDA < 25 mmHg,
Acknowledge with inversion of LLS_SELFTESTBIT
12021 –
12026
12027 –
12036
12037
12038

Table of Contents

Related product manuals