EasyManua.ls Logo

B. Braun Dialog+ - Pressure Reduction Membrane Test with UFP

B. Braun Dialog+
455 pages
Print Icon
To Next Page IconTo Next Page
To Next Page IconTo Next Page
To Previous Page IconTo Previous Page
To Previous Page IconTo Previous Page
Loading...
3. Repair Instructions 1/2010 3 - 22
BA-TE-DE08C M.KAY
Dialog+ SW9xx_sm_Chapter 3_1-2010.doc/pdf <100329> yymmdd
B. Braun Avitum AG
Dialog
+
SW 9.xx
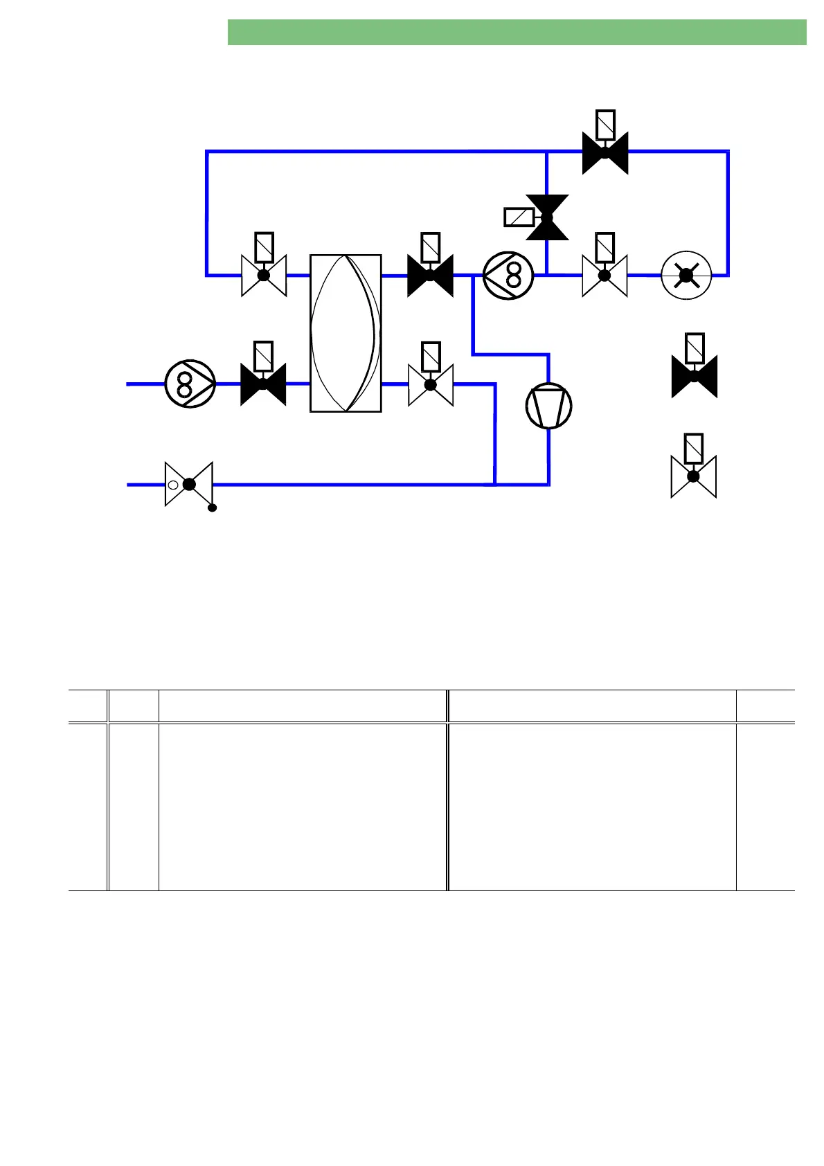
3.3.8.7 Pressure Reduction Membrane
Test with UFP
open
offen
closed
geschlossen
PDA
VDA
UFP
FPE
FPA
VEBK
VDEBK
VABK
VDABK
VBP
VDE
RVDA
Fig. : Flow Diagram Pressure Reduction Membrane Test with UFP
The pressure at PDA is decreased to
380 mmHg with the UF pump after the
dialyser test circuit is closed. The UF pump is driven with 3000 ml/h. VDA is
closed during this pressure reduction. Thus the UF pump strokes are damped via
the extended flow path and no interferences are generated at PDA.
During this pressure reduction the speeds for the following test are set to: FPE
for a flow of 800 ml/min and FPA for 20 ml/min. Thus the membrane is pressed
to the outlet side.
Timeout: 60 s
LLC Test
Code
LLC Test Steps LLS Test Steps LLS Test
Code
7.
1250x
Pressure reduction with UFP
FPE = 800 ml/min
FPA = 20 ml/min
Valve Status:
VEBK1/2, VDABK1/2------------------- opened
VDEBK1/2, VABK1/2-------------------- closed
VBP, VDE ----------------------------- opened
VDA----------------------------------- closed
Final Condition:
PDA
+380 mmHg or timeout 60 s
12101

Table of Contents

Related product manuals