EasyManua.ls Logo

B. Braun Dialog+ - Level Regulation Module; Flow Diagram Level Regulation Module; Front Door

B. Braun Dialog+
455 pages
Print Icon
To Next Page IconTo Next Page
To Next Page IconTo Next Page
To Previous Page IconTo Previous Page
To Previous Page IconTo Previous Page
Loading...
2. Technical System Description 1/2010 2 - 23
BA-TE-DE08C M.KAY
Dialog+ SW9xx_sm_Chapter 2_1-2010.doc/pdf <100329> yymmdd
B. Braun Avitum AG
Dialog
+
SW 9.xx
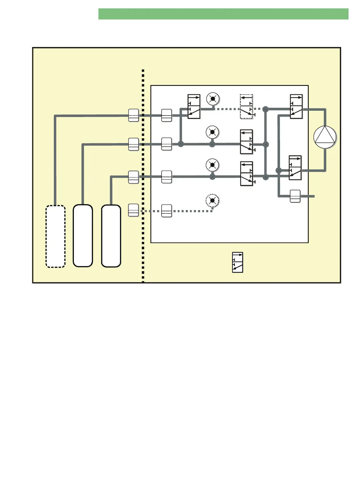
2.18.2 Flow Diagram Level
Regulation
Module
PA
PV
PBE
PBS
1
2
3
1
1
1
2
2
2
3
3
3
PA Chamber PV Chamber
PBE Chamber
HFA
HFV
HFE
HFS
VBT
VPV
VPE
HFP
VPU
LRP
VPD
VPA
Front Door
Inside
Outside
Level Module
1
1
2
2
3
3
P
OUT
P
IN
Fig. : Flow Diagram Level Regulation Module
There are two level regulation modules with different assemblies, i.e. for
machines with a single blood pump and with a double blood pump. The level
regulation module and the level regulation pump
LRP
are assembled on the
inside of the rear door. The level regulation module and
LRP
have the following
functions;
Setting of the level in all blood side chambers (3/2 way solenoid valves
VPA
,
VPV
,
VPE
,
VPU
,
VPD
and diaphragm pump
LRP
)
Monitoring of the blood side pressures (pressure sensors
PA
,
PV
,
PBE
and
PBS
)
Test of the blood side pressure sensors in preparation (3/2 way solenoid
valve
VBT
)
3/2 Way Solenoid Valve

Table of Contents

Related product manuals