EasyManua.ls Logo

Altera Stratix - Page 265

Altera Stratix
572 pages
Print Icon
To Next Page IconTo Next Page
To Next Page IconTo Next Page
To Previous Page IconTo Previous Page
To Previous Page IconTo Previous Page
Loading...
Altera Corporation 6–7
July 2005 Stratix Device Handbook, Volume 2
DSP Blocks in Stratix & Stratix GX Devices
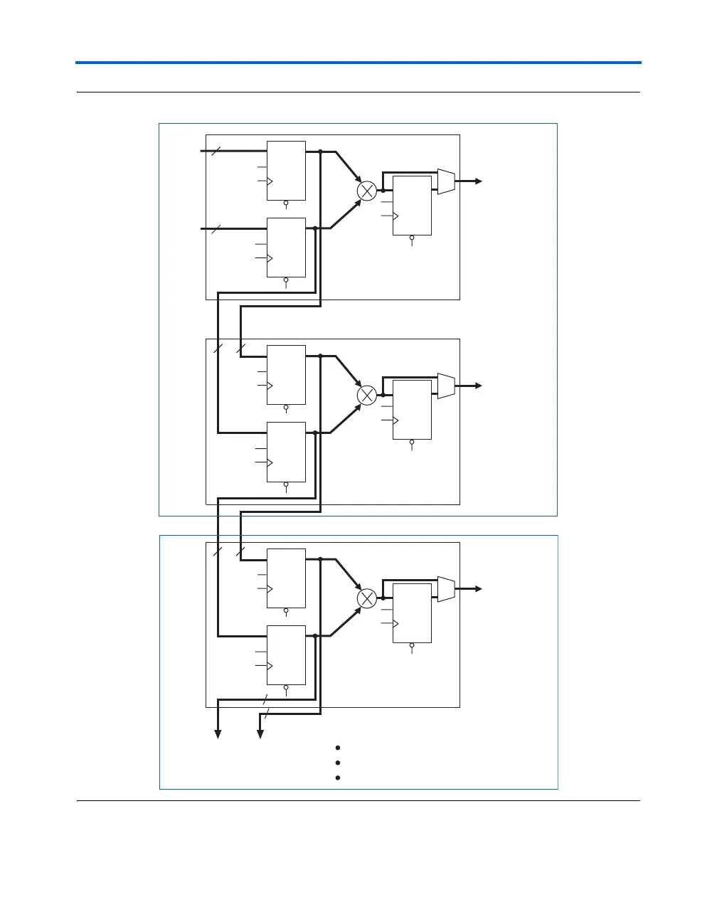
Figure 6–4. Shift Register Chain
CLRN
D
Q
ENA
Data A
Data B
A[n] × B[n]
CLRN
D
Q
ENA
CLRN
D
Q
ENA
CLRN
D
Q
ENA
shiftouta
shiftoutb
A[n - 1] × B[n - 1]
CLRN
D
Q
ENA
CLRN
D Q
ENA
CLRN
D
Q
ENA
shiftouta
shiftoutb
A[n - 2] × B[n - 2]
CLRN
D
Q
ENA
CLRN
D
Q
ENA
DSP Block 0
DSP Block 1
shiftouta
shiftoutb

Table of Contents

Related product manuals