EasyManua.ls Logo

Altera Stratix - Page 384

Altera Stratix
572 pages
Print Icon
To Next Page IconTo Next Page
To Next Page IconTo Next Page
To Previous Page IconTo Previous Page
To Previous Page IconTo Previous Page
Loading...
9–6 Altera Corporation
Stratix Device Handbook, Volume 2 July 2005
Introduction
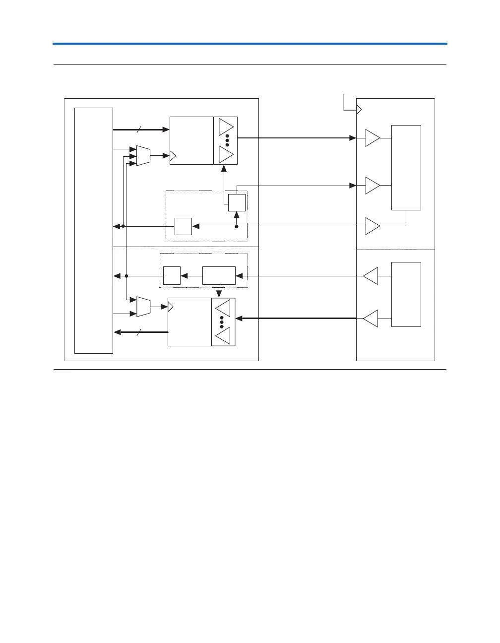
Figure 9–4. Implementation of SFI-4 Interface Using Stratix & Stratix GX Devices
f For details on differential I/O buffers, SERDES, and clock dividers using
PLLs, see the High-Speed Differential I/O Interfaces in Stratix Devices
chapter in the Stratix Device Handbook or the Stratix GX Device Handbook.
Figure 9–5 shows the transmitter block (from Figure 9–4) of the SFI-4
framer interface implemented in Stratix and Stratix GX devices. The data
starts in the logic array and goes into the Stratix and Stratix GX SERDES
block. The transmitter SERDES of the framer converts the parallel data to
serial data for the 16 TXDATA channels (TXDATA[15..0]). A fast PLL is
used to generate TXCLK from TXCLK_SRC. The fast PLL keeps the
TXDATA and TXCLK edge-aligned. A divided down (
÷8) clock generated
from TXCLK_SRC is used to convert the parallel data to serial in the
transmitter SERDES. The divided down clock also clocks some of the
logic in the logic array.
Transmitter
SERDES
Receiver
SERDES
×1
÷8
÷8
180˚
Stratix Framer
Clk
Data
Clk
Data
Transmitter
Receiver
OC-192
SERDES
TXDATA[15..0]
TXCLK
TXCLK_SRC
RXCLK
RXDATA[15..0]
Phase Shift
Receiver
Transmitter
PLL1
128
128
REFCLK
PLL2
Stratix &
Stratix GX
Logic Array

Table of Contents

Related product manuals