EasyManua.ls Logo

Altera Stratix - Page 443

Altera Stratix
572 pages
Print Icon
To Next Page IconTo Next Page
To Next Page IconTo Next Page
To Previous Page IconTo Previous Page
To Previous Page IconTo Previous Page
Loading...
Altera Corporation 11–17
July 2005 Stratix Device Handbook, Volume 2
Configuring Stratix & Stratix GX Devices
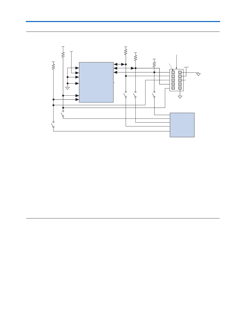
Figure 11–7. Configuring with a Combined PS & Configuration Device Scheme
Notes to Figure 11–7:
(1) You should connect the pull-up resistor to the same supply voltage as the configuration device.
(2) The pull-up resistors on the DATA0 and DCLK pins are only needed if the download cable is the only configuration
scheme used on the board. This is to ensure that the DATA0 and DCLK pins are not left floating after configuration.
For example, if the design also uses a configuration device, the pull-up resistors on the DATA0 and DCLK pins are
not necessary.
(3) Pin 6 of the header is a V
IO
reference voltage for the MasterBlaster output driver. V
IO
should match the target
device’s V
CCIO
. This is a no-connect pin for the ByteBlasterMV header.
(4) You should not attempt configuration with a download cable while a configuration device is connected to a Stratix
or Stratix GX device. Instead, you should either remove the configuration device from its socket when using the
download cable or place a switch on the five common signals between the download cable and the configuration
device. Remove the download cable when configuring with a configuration device.
(5) If nINIT_CONF is not used, nCONFIG must be pulled to V
CC
either directly or through a resistor.
(6) If external pull-ups are used on CONF_DONE and nSTATUS pins, they should always be 10 kΩ resistors. You can use
the internal pull-ups of the configuration device only if the CONF_DONE and nSTATUS signals are pulled-up to 3.3 V
or 2.5 V (not 1.8 V or 1.5 V).
f For more information on how to use the MasterBlaster or ByteBlasterMV
cables, see the following documents:
USB-Blaster USB Port Download Cable Data Sheet
MasterBlaster Serial/USB Communications Cable Data Sheet
ByteBlasterMV Parallel Port Download Cable Data Sheet
ByteBlaster II Parallel Port Download Cable Data Sheet
Stratix or Stratix GX Device
MSEL0
nCE
nCONFIG
CONF_DONE
DCLK
nCEO
GND
Download Cable
10-Pin Male Header
(PS Mode)
V
CC
V
CC
V
CC
V
CC
(1)
V
CC
(1)
V
CC
(1)
nSTATUS
DATA0
MSEL1
10 kΩ
10 kΩ
1
0 kΩ
10 kΩ
Pin 1
DCLK
DATA
OE
nCS
nINIT_CONF
(5)
Configuration
Device
(4)
(4)
(4)
(4)
(4)
GND
VIO
(3)
N.C.
(1)
(1)
GND
MSEL2
V
CC
(6)
10 kΩ
(6)
(2)
(2)
(6)
(6)

Table of Contents

Related product manuals