EasyManua.ls Logo

Altera Stratix - Page 442

Altera Stratix
572 pages
Print Icon
To Next Page IconTo Next Page
To Next Page IconTo Next Page
To Previous Page IconTo Previous Page
To Previous Page IconTo Previous Page
Loading...
11–16 Altera Corporation
Stratix Device Handbook, Volume 2 July 2005
Configuration Schemes
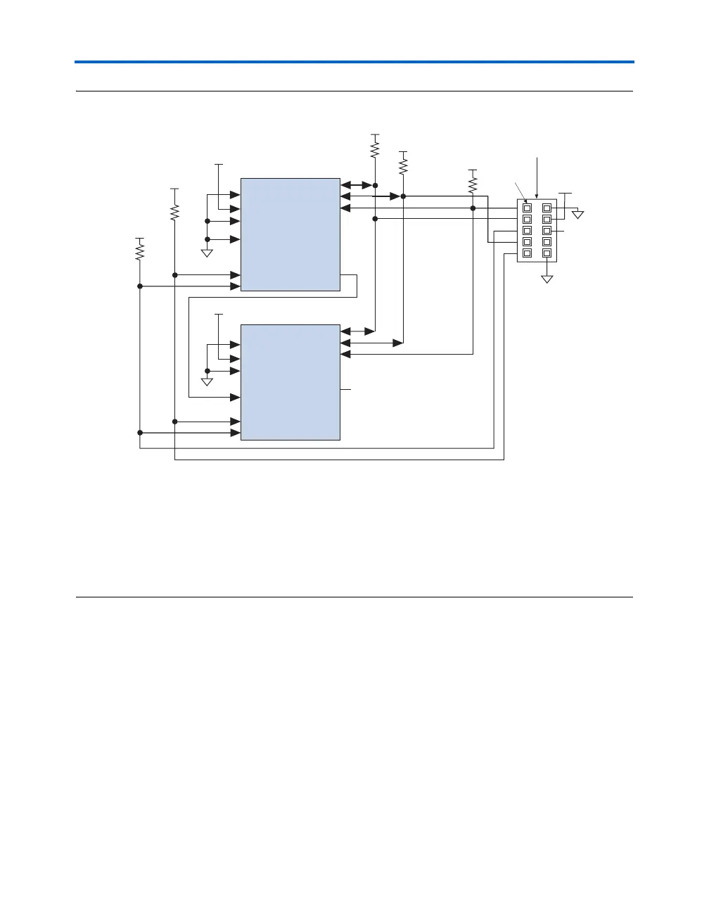
Figure 11–6. Multi-Device PS Configuration with a Download Cable
Notes to Figure 11–6:
(1) You should connect the pull-up resistor to the same supply voltage as the MasterBlaster (VIO pin) or ByteBlasterMV
cable.
(2) The pull-up resistors on the DATA0 and DCLK pins are only needed if the download cable is the only configuration
scheme used on the board. This is to ensure that the DATA0 and DCLK pins are not left floating after configuration.
For example, if the design also uses a configuration device, the pull-up resistors on the DATA0 and DCLK pins are
not necessary.
(3) V
IO
is a reference voltage for the MasterBlaster output driver. V
IO
should match the device’s V
CCIO
. See the
MasterBlaster Serial/USB Communications Cable Data Sheet for this value.
If you are using a download cable to configure device(s) on a board that
also has configuration devices, you should electrically isolate the
configuration devices from the target device(s) and cable. One way to
isolate the configuration devices is to add logic, such as a multiplexer, that
can select between the configuration devices and the cable. The
multiplexer device should allow bidirectional transfers on the nSTATUS
and CONF_DONE signals. Another option is to add switches to the five
common signals (CONF_DONE, nSTATUS, DCLK, nCONFIG, and DATA0)
between the cable and the configuration devices. The last option is to
remove the configuration devices from the board when configuring with
the cable. Figure 11–7 shows a combination of a configuration device and
a download cable to configure a Stratix or Stratix GX device.
Stratix or
Stratix GX Device 1
Stratix or
Stratix GX Device 2
MSEL0
nCE
nCONFIG
CONF_DONE
DCLK
nCE
nCEO
nCONFIG
CONF_DONE
DCLK
nCEO
GND
(PS Mode)
V
CC
V
CC
(1)
GND
V
CC
(1)
V
CC
(1)
V
CC
(1)
V
CC
(1)
nSTATUS
nSTATUS
DATA0
DATA0
MSEL1
MSEL0
MSEL1
10 kΩ
10 kΩ
10 kΩ
1
0 kΩ
10 kΩ
Pin 1
Download Cable
10-Pin Male Header
N.C.
VIO
(3
)
GND
V
CC
MSEL2
MSEL2
GND
V
CC
(2)
(2)

Table of Contents

Related product manuals