EasyManua.ls Logo

Brooks Marathon Express - Page 160

Brooks Marathon Express
229 pages
Print Icon
To Next Page IconTo Next Page
To Next Page IconTo Next Page
To Previous Page IconTo Previous Page
To Previous Page IconTo Previous Page
Loading...
8. System Alignment Marathon Express
Vacuum Cassette Elevator Configuration
and Alignment
Part Number: 605914 Rev. B
Step Action
1.
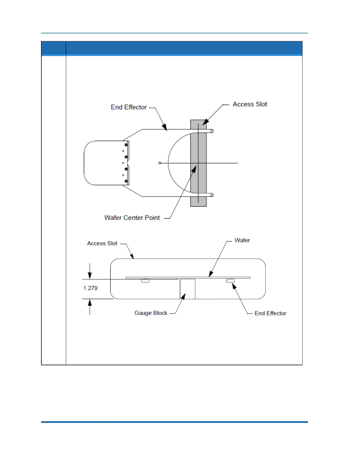
Usingtherobot’sCDM,movetherobot’span’A’endeffectortotheappropriateLoadLock’saccess
slot.
SETUP -> STATIONS -> 1 -> CR -> LEARN R, T, BTO -> HAND LOCATE
a. Manuallymovetherobot’sendeffectoruntiltheendeffectorislocatedinsidetheaccessslotas
shown.
b. Placethegaugeblockintheaccessslot,adjacenttotherobot’sendeffectorwiththe1.279inch
dimensionvertical,asshown.
c. Placeawaferontheendeffectorandsightalongthebottomofthewafer.Thebottomofthe
wafershouldalmosttouchthetopofthegaugeblockwhenrestingontheendeffector(moving
thegaugeblockshouldnotcausethewafertomove).IftheBTOvalueneedsadjustmentjogto
theappropriateheight,andstorethecorrectedBTOvalue.
d. OncetheendeffectorispositionedcorrectlysavetheBTOvaluefortherobotusingtheCDM.
ESCAPE -> STORE -> BTO -> QUIT
160
Copyright © 2023, Brooks Automation, Inc.

Table of Contents

Related product manuals