EasyManua.ls Logo

Oki IP-6620 - Page 569

Oki IP-6620
572 pages
Print Icon
To Next Page IconTo Next Page
To Next Page IconTo Next Page
To Previous Page IconTo Previous Page
To Previous Page IconTo Previous Page
Loading...
OKI Data Infotech Corporation CONFIDENTIAL
Appendix-7
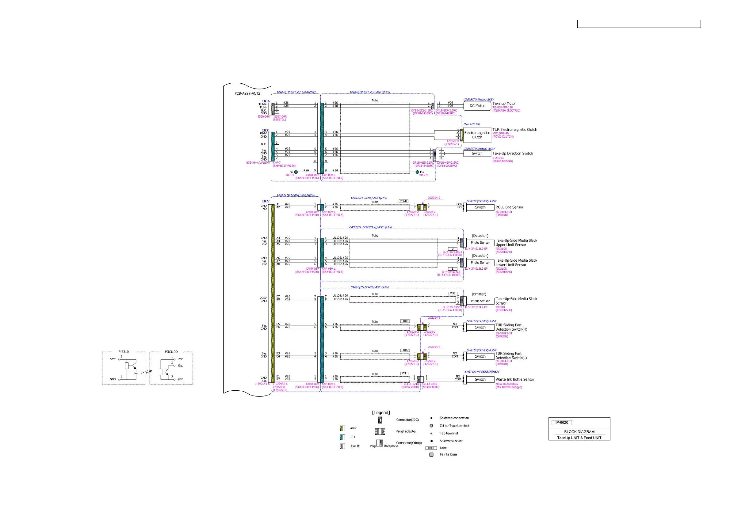
Appendix 6 Take-Up Unit & Feed Unit Wiring Diagram

Table of Contents

Other manuals for Oki IP-6620

Related product manuals