EasyManua.ls Logo

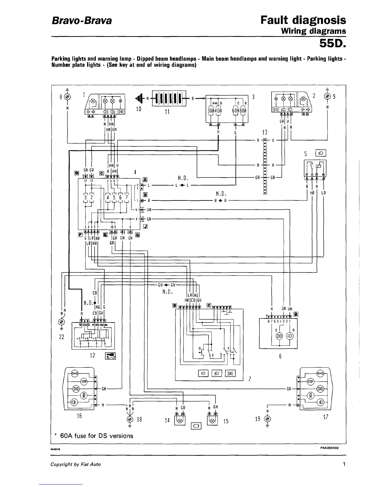
Fiat Brava - Fault Diagnosis; Wiring Diagrams; Parking Lights and Warning Lamp - Dipped Beam Headlamps - Main Beam Headlamps and Warning Light - Parking Lightsnumber Plate Lights

Fiat Brava
622 pages
Print Icon
To Next Page IconTo Next Page
To Next Page IconTo Next Page
To Previous Page IconTo Previous Page
To Previous Page IconTo Previous Page
Loading...
Btavo-Brava
Fault diagnosis
Wiring diagrams
55 D.
Parking lights and warning lamp - Dipped beam headlamps - Main beam headlamps and warning light - Parking lights
Number plate lights - (See key at end of wiring diagrams)
8@
N
!»■»
m
o|i-:oo;
HN
10
n
30A40A 60A80A
-Ll U L
UN
GN
-:oo:-
ID ID <= =>
2 ®9
I
N
mm
GR
n
13
m
HN
GN GR
ra
H
|
UN
U
17
13 (567
3
2
ri rt
4 5 6/
-n
5(321 10
S
1
TT
L
'
G
LR Hfi IGR GN GN
m
n
I&-P-
6-g-UN-
3^GN-
N.D.
L
-•- L
- H
-GR-
-
H
-
■GR—'
ff
] S3F
ID
87
30 85 86
15
R
R
HR
LR HR
GRI
AG
H
CB
22
pu??l
GU
mj
12
-®
-(STOP)—
^>
<-GN-
-GU-»-GU-
LR
AG
11
HR
■t'i't'ij'tlr
CB GU
ap-
LR
IX
HJ
ID
joe;
N GN
UN
7
6
5*32:
E
&& (ID)
-GR-
16
1%
® 18
14
N
GR
L
O
N
GN
M
"^
<^
15
19 ©
17
60A fuse for DS versions
Copyright by Fiat Auto 1

Table of Contents

Related product manuals