EasyManua.ls Logo

Fiat Brava - Trim Level: S - SX; Electric Front Windows

Fiat Brava
622 pages
Print Icon
To Next Page IconTo Next Page
To Next Page IconTo Next Page
To Previous Page IconTo Previous Page
To Previous Page IconTo Previous Page
Loading...
Bravo-Brava
Fault diagnosis
Wiring diagrams
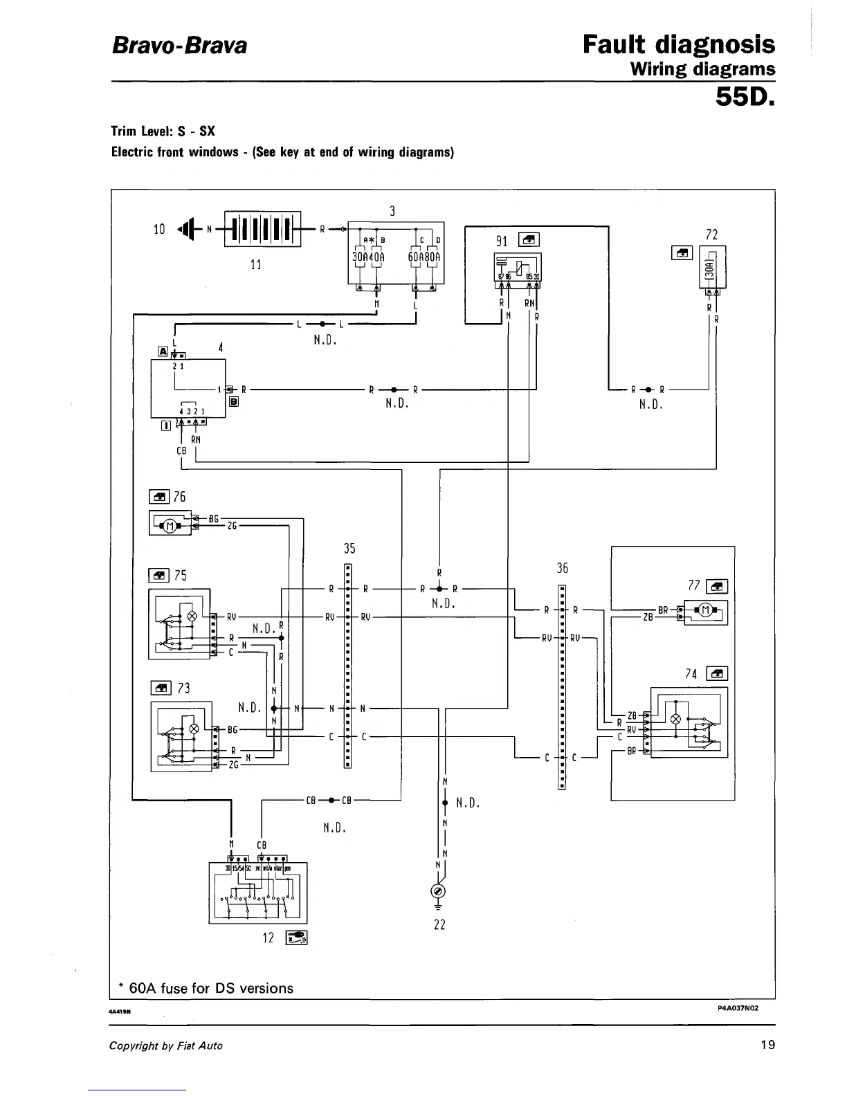
Trim Level: S - SX
Electric front windows - (See key at end of wiring diagrams)
55D.
»
+-111111-
R—9
11
7S fl
D
30A40A 60fl80A
B*^
N.D.
2
1
m£
4
3 2 1
m
R —•—R
N.D.
RN
CB
[a] 76
5^ 3^
-BG-
ZG-
[«]75
3-RU-
*- R
N.D.
«h
c
\M\
73
N.D.
«i-BG-
*^rr N
SJ-ZG-
35
- R
-M-
-
R
-
-RU-
-CB—»-CB-
n
CB
SOJlSftJ 50
ill
!ro
,n
b
f|pns
1333\j
12
* 60A fuse for DS versions
R -*- R
91
LH]
RN
N.D.
22
72
S
^1
<E
1=)
CO
T
R
J
R -•- R
N.D.
36
R
-•-
R
-
-RU--RU-
c
c
77 [a]
-ZB
BR-
^1
74 [fl[]
"
R
7T+
-RU-*
-BR-
Copyright by Fiat Auto
19

Table of Contents

Related product manuals