EasyManua.ls Logo

Fiat Brava - Wiring Diagram

Fiat Brava
622 pages
Print Icon
To Next Page IconTo Next Page
To Next Page IconTo Next Page
To Previous Page IconTo Previous Page
To Previous Page IconTo Previous Page
Loading...
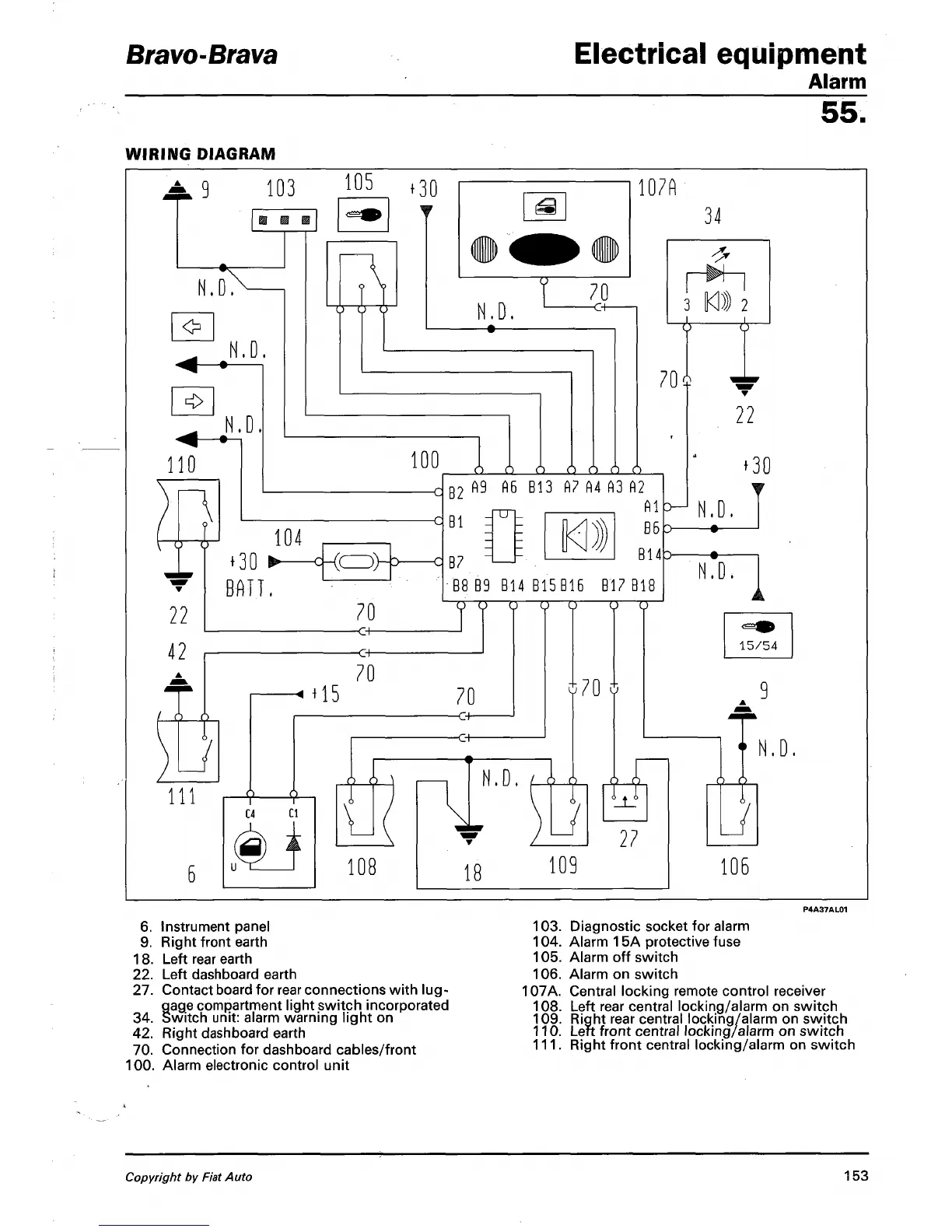
Bravo-Brava
Electrical equipment
Alarm
55.
WIRING DIAGRAM
=.
103
_1^5_
+
30
w
N.D.
<^
O
110
Q 9
22
42
Q
d
111
^
N.D.
N.D.
0 0 0
"O"
107A
34
N.D.
—•
70
-c+-
100
c B2
A9 A6 B13 A7 A4 A3 A2
II
c
Bl
+
30 >—c^cz^H^—c
BATT.
70
-CH
o
_Q_
o
70
i
n n n fS
-Tcr
B7
fil
B6 D
-
B14
B8
B9 B-14
B15B16
B17 B18
TJ
-+15
-CH
70
gr
70
-c+-
^3
CT
-C+-
^ U
Q Q
70
\>
( U V
108
6 6
27
^
* 6
N.D.
22
+
30
D
-
N.D.
15/54
9
N.D.
Q—Q-
106
6. Instrument panel
9. Right front earth
18.
Left rear earth
22.
Left dashboard earth
27.
Contact board for rear connections with
lug-
gage compartment light switch incorporated
34.
Switch unit: alarm warning light on
42.
Right dashboard earth
70.
Connection for dashboard cables/front
100.
Alarm electronic control unit
103.
Diagnostic socket for alarm
104.
Alarm 15A protective fuse
105.
Alarm off switch
106.
Alarm on switch
107A. Central locking remote control receiver
108.
Left rear central locking/alarm on switch
109.
110.
LeT
111.
Right front central locking/alarm on switch
Right rear central locking/alarm on switch
(ft front central locking/alarm on switch
Copyright by
Fiat
Auto
153

Table of Contents

Related product manuals