EasyManua.ls Logo

Fiat Brava - Location of Radio System Components for Model AD 182 H

Fiat Brava
622 pages
Print Icon
To Next Page IconTo Next Page
To Next Page IconTo Next Page
To Previous Page IconTo Previous Page
To Previous Page IconTo Previous Page
Loading...
Electrical equipment
Radio system
Bravo-Brava
55.
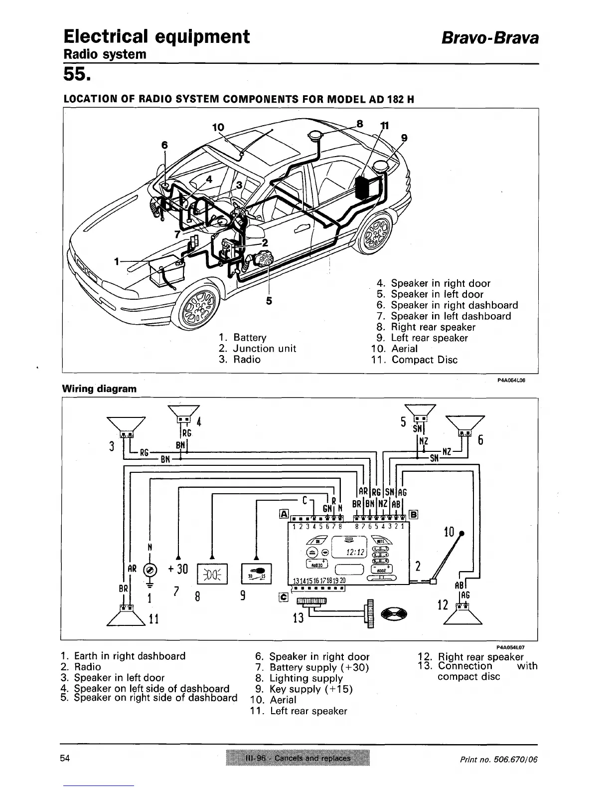
LOCATION OF RADIO SYSTEM COMPONENTS FOR MODEL AD 182 H
1.
Battery
2.
Junction unit
3. Radio
4.
5.
6.
7.
8.
9.
10.
11.
Speaker in right door
Speaker in left door
Speaker in right dashboard
Speaker in left dashboard
Right rear speaker
Left rear speaker
Aerial
Compact Disc
Wiring diagram
RG
RG-
BN-
5
¥
BH|
BR
c-
t-i 1R
1
6N|
I
'k
i i
BR
AR ® +30
I
7
11
M a
12 3 4 5 6 7
*L
OR
RG
BN
FW
KZ
NZ
-SH
NZ
SN
fiG
AB
*T
7 6 5 4 3 2 1
f2:J2
MOID
1
CZD
<TJE3)
m
13141516171819
20
10
13
ABI
JflG
12 rr*i
1.
Earth in right dashboard
2.
Radio
3. Speaker in left door
4.
Speaker on left side of dashboard
5. Speaker on right side of dashboard
6. Speaker in right door
7. Battery supply
(
+ 30)
8. Lighting supply
9. Key supply
( +
15)
10.
Aerial
11.
Left rear speaker
12.
Right rear speaker
13.
Connection with
compact disc
54
III-96 - Cancels and replaces
Print no. 506.670/06

Table of Contents

Related product manuals