EasyManua.ls Logo

Fiat Brava - How to Read the Wiring Diagrams

Fiat Brava
622 pages
Print Icon
To Next Page IconTo Next Page
To Next Page IconTo Next Page
To Previous Page IconTo Previous Page
To Previous Page IconTo Previous Page
Loading...
Electrical system
Wiring diagrams
Bravo-Brava
55.
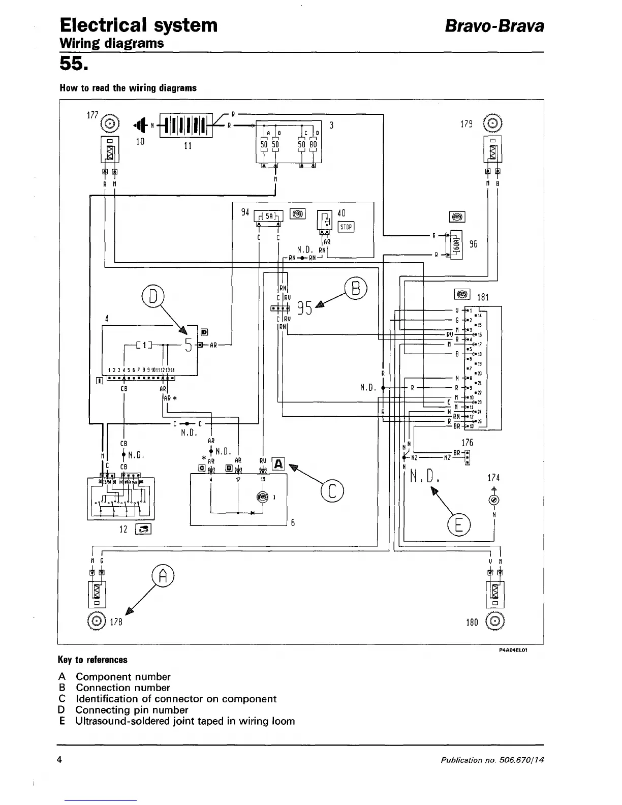
How to read the wiring diagrams
177.
4-rllllllrK"
Oil y
R n
10
11
50 50
50 "
12 3 4 5 6 7 8 910111213M
iLiT
CB
II
-AR-
34
^
AR*
N.D.
CB
f
N.D
C CB
p
-fri
ii-,
,
f
i
,IT
^B
44-
Qf&J
12
AR
f
N.D.
*AR
AR RU
40
STOP
AR
N.D.
RN|
•RN-«-RN-
179 (Oj
n
B
RN
RU
RU
^\
RNl
96
N.D.
17 19
» 1
c
l r
n G
D3 BD
BEI 181
-RU
R -ml
n -■;•
-RN-*
*
-8R-*
5
—e«is
6
19
7
20
»8
21
*9
22
*10
■e«23
11
■e«2<
12
■£•25
13 ,-
176
NZ
NZ
N.D.
174
<i)
N
10) 178'
u
n
en on
180 (OJ
Key to references
A Component number
B Connection number
C Identification of connector on component
D Connecting pin number
E Ultrasound-soldered joint taped in wiring loom
4
Publication no. 506.670/14

Table of Contents

Related product manuals