EasyManua.ls Logo

Midas XL8 - Audio Signal Path

Midas XL8
342 pages
Print Icon
To Next Page IconTo Next Page
To Next Page IconTo Next Page
To Previous Page IconTo Previous Page
To Previous Page IconTo Previous Page
Loading...
Audio signal path 221
XL8 Control Centre
Operator Manual
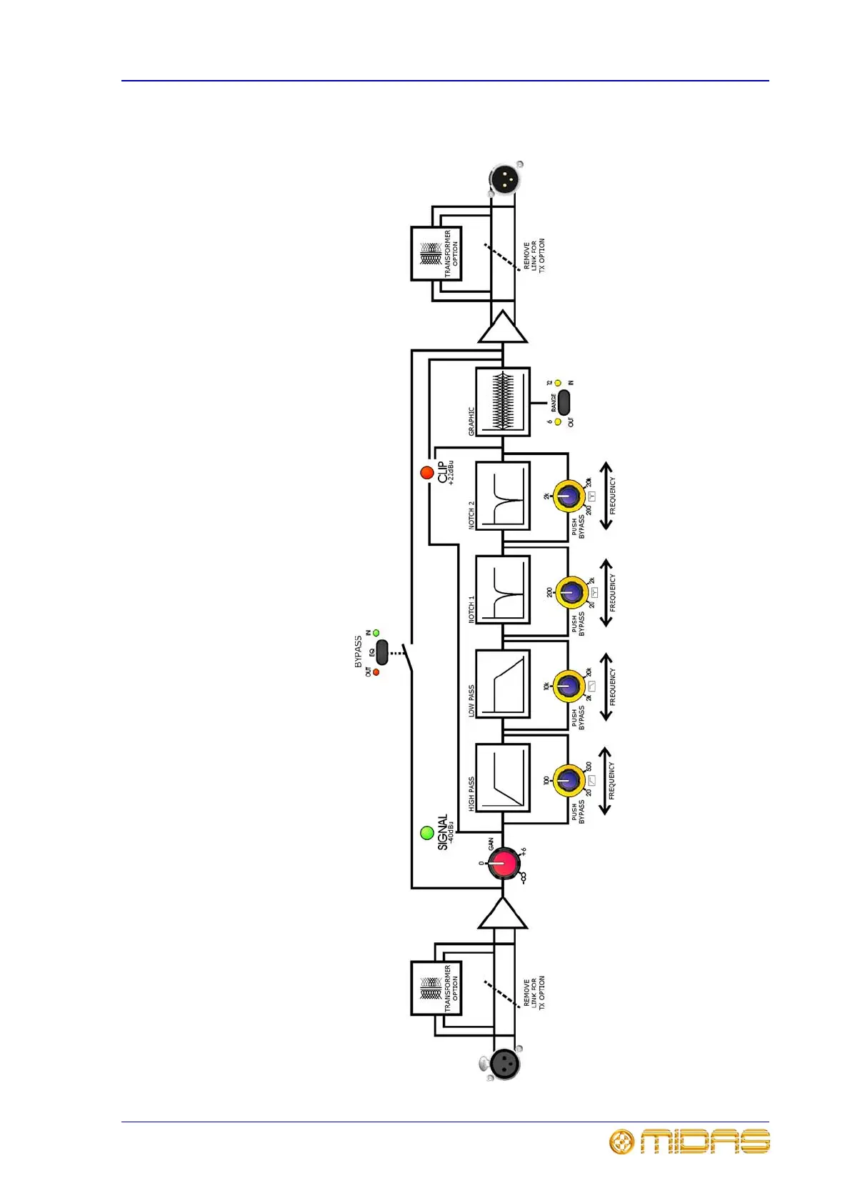
Audio signal path

Table of Contents

Other manuals for Midas XL8

Related product manuals