EasyManua.ls Logo

Midas XL8 - Mono Group Signal Flow

Midas XL8
342 pages
Print Icon
To Next Page IconTo Next Page
To Next Page IconTo Next Page
To Previous Page IconTo Previous Page
To Previous Page IconTo Previous Page
Loading...
287
XL8 Control Surface
Operator Manual
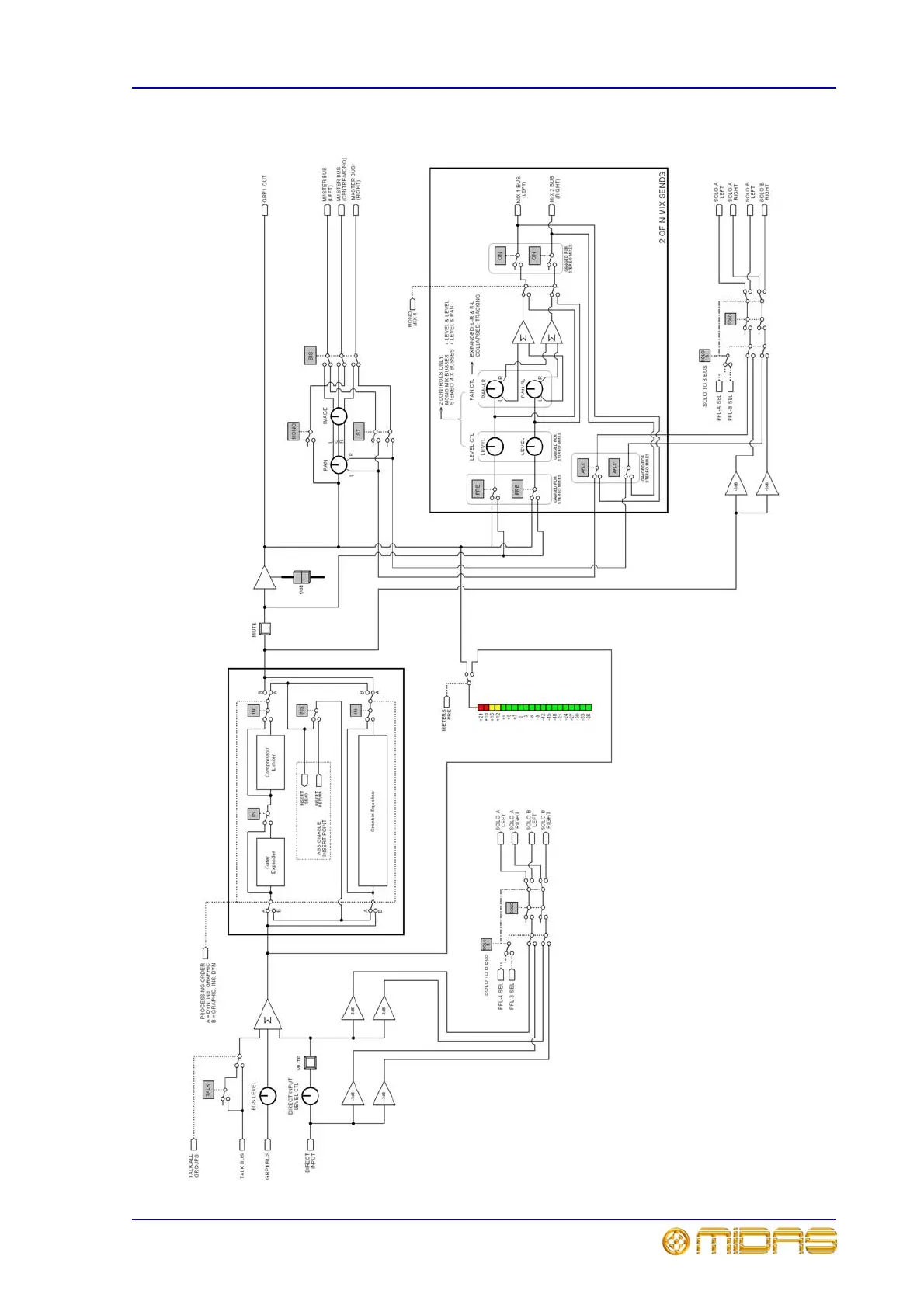
Mono group signal flow

Table of Contents

Other manuals for Midas XL8

Related product manuals