EasyManua.ls Logo

Siemens SINAMICS S220

Siemens SINAMICS S220
320 pages
To Next Page IconTo Next Page
To Next Page IconTo Next Page
To Previous Page IconTo Previous Page
To Previous Page IconTo Previous Page
Loading...
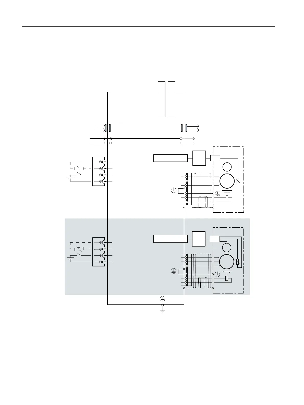
8.3.3 Connection example
Connection example
'5,9(&/L4
'5,9(&/L4
'5,9(&/L4
'5,9(&/L4
:
9
8
%5
%5
%5
%5
;
;
:
9
8
7HPS
7HPS
7HPS
7HPS
(QDEOH3XOVHV
(QDEOH3XOVHV0
'&3
'&1
'&3
'&1
;
0
0
;;

;
;
;


(
ϑ
0
ϑ
a

(
ϑ
0
a
ϑ

(QDEOH3XOVHV
(QDEOH3XOVHV0
1) Optional, e.g. for motor without encoder
2) Required for Safety Integrated
3) 24V to the next module
4) Sensor Module required for motors without DRIVE-CLiQ interface
5) In addition for the Double Motor Module
Figure8-5 Connection example for Motor Modules 3A ...30A, 2x3A ...2x18A
Motor Modules
8.3Motor Modules 3 ... 30 A and 2x3 ... 2x18 A
Booksize power units
160 Equipment Manual, 09/2023, A5E53307519B AA

Table of Contents

Related product manuals