EasyManua.ls Logo

Siemens SINAMICS S220

Siemens SINAMICS S220
320 pages
To Next Page IconTo Next Page
To Next Page IconTo Next Page
To Previous Page IconTo Previous Page
To Previous Page IconTo Previous Page
Loading...
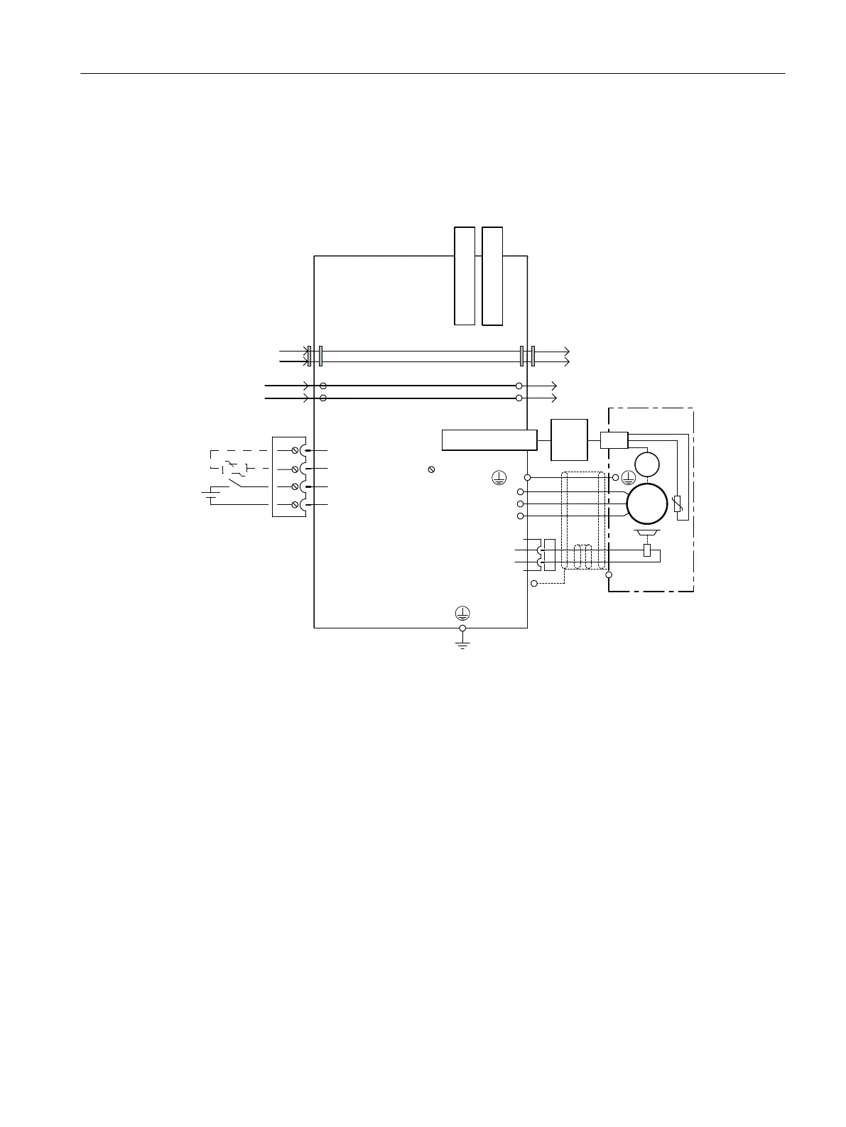
8.4.3 Connection example
Connection example
1
2
'5,9(&/L4
'5,9(&/L4
'5,9(&/L4
7HPS
7HPS
(QDEOH3XOVHV
(QDEOH3XOVHV0
'&3
'&1
'&3
'&1
;
0
0
;;

;

(
ϑ
0
a
ϑ
;
;
%5
:
%5
9
8

1) Optional, e.g. for motor without encoder
2) Required for Safety Integrated
3) 24V to the next module
4) Sensor Module Cabinet required for motors without DRIVE-CLiQ interface
5) Contact via a shield connection plate
Figure8-36 Connection example for Motor Modules 45A and 60 A
Motor Modules
8.4Motor Modules 45 A and 60 A
Booksize power units
Equipment Manual, 09/2023, A5E53307519B AA 193

Table of Contents

Related product manuals