EasyManua.ls Logo

Crescent CS7010 - Page 180

Crescent CS7010
329 pages
Print Icon
To Next Page IconTo Next Page
To Next Page IconTo Next Page
To Previous Page IconTo Previous Page
To Previous Page IconTo Previous Page
Loading...
180Service Manual – CS7010™ 28 - Engine System - Petrol (Gasoline)
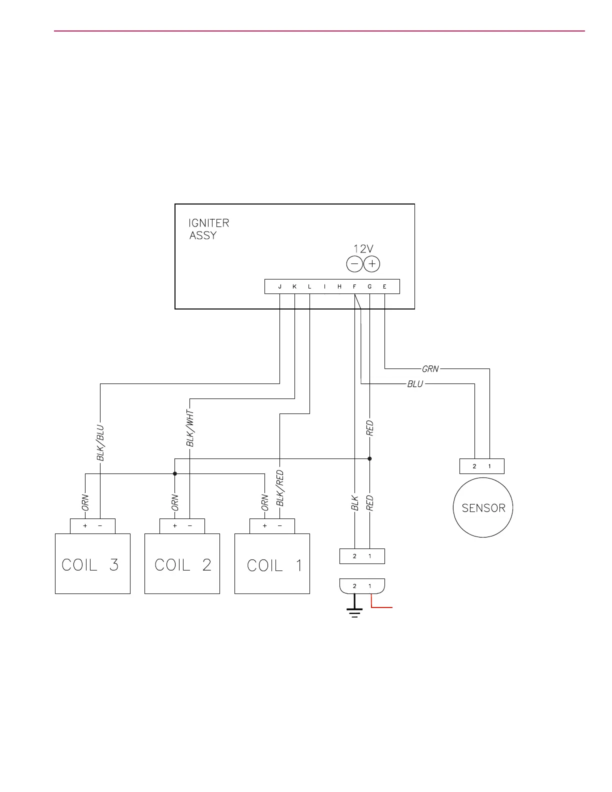
The spark control module is fed power on pin G from the Ignition Request relay. Pin F is connected to
ground.
The two wires form the crank position sensor are connected to pins E and F.
All three ignition coils are fed the same power from the ignition request relay. The 12v power supply ows
through each coil primary circuit to the spark control unit. The spark control unit supplies a “switched
ground” for each of the ignition coil primary windings. When it supplies a ground, current ows through
the coil primary winding and builds up a magnetic eld around the coil. When the ground is released, the
current stops owing abruptly and the magnetic eld collapses. The collapsing magnetic eld induces a high
voltage in the ignition coil secondary winding which produces a spark across the gap of the spark plug and
ignites the air fuel mixture.
12v from Ignition
Request Relay
Crank Po sition Sen sor
Spark Cont ro l Module

Table of Contents

Other manuals for Crescent CS7010