EasyManua.ls Logo

Crescent CS7010 - Functional Diagram

Crescent CS7010
329 pages
Print Icon
To Next Page IconTo Next Page
To Next Page IconTo Next Page
To Previous Page IconTo Previous Page
To Previous Page IconTo Previous Page
Loading...
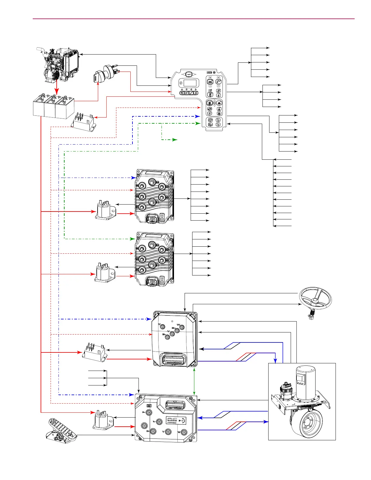
34Service Manual – CS7010™ 04 - Control System
Functional Diagram
M1Main Broom
M2 Dust Fan
M3 Side Broom
M Vacuum 1
M5 Vacuum 2
M6 Main Brm Act
M7 Dump Door
M8 Shaker
A2 Power Module 1
M11 Hopper
M13 Ctr Brush
M14 Lt Brush
M15 Rt Brush
M16 Squeegee
M17 Deck
M18 Side Brm Act
A3 Power Module 2
Detergent Pump 1
Detergent Pump 2
Ext Scrub Pump
Dust Guard Pump/Valve
Solution Pump
Horn
Backup Alarm
Solution Valve
Hyd Clutch
Headlights
Left Front Turn
Right Front Turn
Rear Tail Lights
Left Rear Turn
Right Rear Turn
Dump Door Closed
Dump Door Pos
Main Broom Pos
Hopper Fire
Brake Pedal O
Dust Control Filter
Ext Scrub Empty
Hopper Interlock
E-Stop
Seat Switch
Battery Interlock
VACC
VACC
Run
Start
VACC
KSI
Interlock
K2
K1
Wheel Drive Module
Main Machine
Controller
K3
K4
K5
VACC
VACC
VACC
Enable Drv
E-Stop
CAN-0
CAN-0
CAN-0
CAN-0
CAN-1
CAN-1
Optional Telematics
Steering Module
Steering Sensor
3Ø Power
Torque Feedback
Position PWM
Engine Control
2Ø Encoder
3Ø Power
2Ø Resolver
Temperature
Temperature
Travel Limit Switches

Table of Contents

Other manuals for Crescent CS7010