EasyManua.ls Logo

Crescent CS7010 - Power Modules

Crescent CS7010
329 pages
Print Icon
To Next Page IconTo Next Page
To Next Page IconTo Next Page
To Previous Page IconTo Previous Page
To Previous Page IconTo Previous Page
Loading...
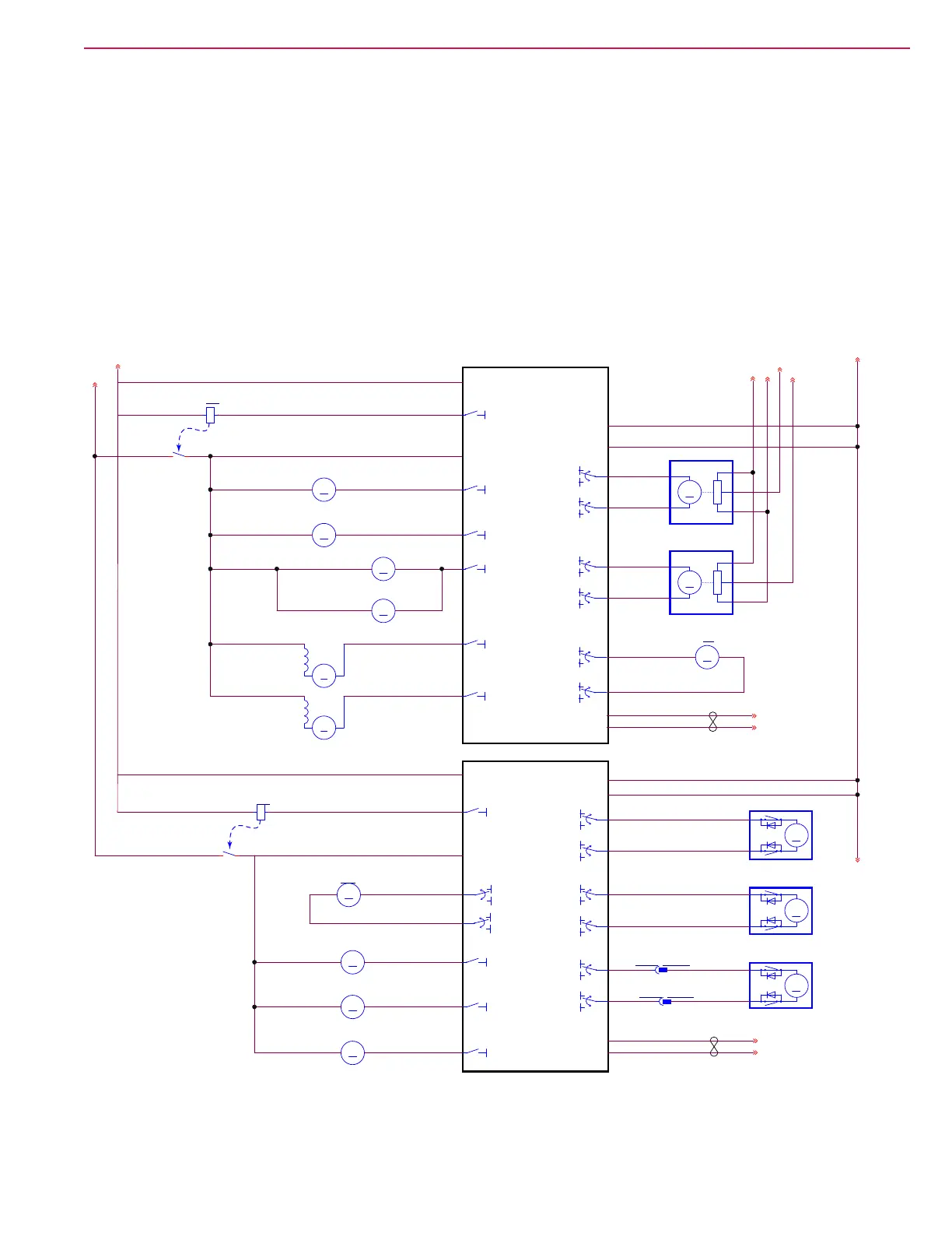
35Service Manual – CS7010™ 04 - Control System
Power Modules
As the name suggests, the power modules handle the high-power output functions for the machine. They
receive commands from the main machine controller via the CAN Bus network. The power modules provide
basic motor control and protection, but the main machine controller controls the actual operation commands
for the motors.
The power module receives its logic power from the Key Switch Input (KSI) . The power module has control
of its own high-power input from the K2/K3 relays. Unlike the drive module, the power module has no direct
inhibit input signals (i.e. seat switch or E-stop), except by commands on the CAN Bus.
The power modules monitor the performance and health of the motors connected to them, and report this
status information back to the MMC via the CAN Bus. When the MMC displays an error code for a power
device, it is driven by a code from the power module on the CAN Bus.
A2
POWER MODULE
A3
OWER MODULE
J4-2
M2
M4
M3
M5
CAN H
CAN L
M1
J4-13
J4-4
J4-6
J4-3
J4-1
P
KSI
J4-10
J4-11
J4-14
B+
B-
J4-9
J4-12
T
B-
TAN-BLU
BRN-GRN
GRN-GRY
RED
BLK
BLK
YEL-WHT
GRN-WHT
GRN-VIO
RED-GRY
VIO-BLU
BRN-WHT
ORN
BLK
BLK
BLU-WHT
GRN-GRY
ORN
RED-BRN
GRN-GRY
BLU-GRN
GRY-BLK
GRN-GRY
WHT-BLK
BLU-ORN
CAN1 H
CAN1 L
B-
M
M11
MOTOR, HYD PUMP
-
+
B-
B+
M
M14
MOTOR, LEFT BRUSH DISK
-
+
B-
B+
M
M17
DECK ACTUATOR
+
_
B-
B+
M
M13
MOTOR, CENTER BRUSH DISK
-
+
B-
B+
K3a
COIL, POWER MODULE
3 4
B-
B+
K3b
2
1
B-
B+
B-
M
M15
MOTOR, RIGHT BRUSH DISK
-
+
X113-11
B-
B+
X43-11
M
M16
SQUEEGEE ACTUATOR
+
_
X43-12 X113-12
M
M18
SIDE BROOM ACTUATOR
+
_
B-
B-
B-
B-
B+
J3-2
B-
M2
M4
M3
M5
J3-14
CAN H
CAN L
B+
M1
J3-13
J3-6
J3-3
J3-1
KSI
J3-10
J3-11
J3-9
J3-12
B+
J3-4
B-
BRN-BLU
RED
BLK
BLK
YEL-WHT
GRN-WHT
ORN-BLK
ORN-GRY
TAN-VIO
BLK-GRY
RED
ORN
WHT-VIO
BLK
BLK
ORN
BLU-GRY
BLU-GRY
BLU-GRY BRN-YEL
BLU-GRY
BLU-GRY
GRY-RED
ORN-BLU
WHT-BRN
BLK-WHT
BLU-GRY
BLU-GRY
ORN-RED
GRY-GRN
TAN-RED
BLU-BLK
ORN-RED
CAN0 H
CAN0 L
KSI MAIN CONTROL BOARD
B-
RED
K2b
2 1
B-
B+
M
M3R
MOTOR, RIGHT SIDE BROOM
-+
M
M2
MOTOR, DUST FAN
-
+
M
M6
MAIN BROOM ACTUATOR
1K OHM
+
_
B-
B+
B-
B+
B-
B+
B-
B-
B+
B-
M
M1
MOTOR, MAIN BROOM
-
+
B-
B-
M
M8
MOTOR, SHAKER
-+
B-
B+
B-
M
M7
DUMP DOOR ACTUATOR
10K OHM
+
_
M
M4
MOTOR, VACUUM 1
12
K2a
COIL, POWER MODULE
3 4
M
M3L
MOTOR, LEFT SIDE BROOM
-
+
M
M5
MOTOR, VACUUM 2
12
B-
B-
3.3V
Position
Potentiometer
Position
Potentiometer

Table of Contents

Other manuals for Crescent CS7010