EasyManua.ls Logo

Crescent CS7010 - Normal Engine Shut off

Crescent CS7010
329 pages
Print Icon
To Next Page IconTo Next Page
To Next Page IconTo Next Page
To Previous Page IconTo Previous Page
To Previous Page IconTo Previous Page
Loading...
186Service Manual – CS7010™ 28 - Engine System - Petrol (Gasoline)
There are several conditions that will override the user’s engine speed request.
High pressure wash forces to run speed.
If the engine is at idle speed, the engine will be forced to the run speed when sweeping only or vacuuming
only. The force idle (neutral time-out) will return the engine to idle speed.
If the engine is at idle or run speed, the engine will be forced to maximum power speed when scrubbing
only or scrubbing and sweeping. The force idle (neutral time-out) will return the engine to idle speed.
If the override is run speed, the user can change between maximum power speed and run speed.
If the override condition goes away (e.g. sweep system turns off) and the user has not changed the engine
mode, the engine is returned to the mode before the forced override.
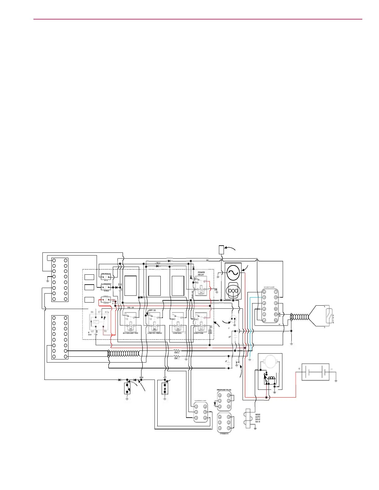
Normal Engine Shut Off
When the key switch is shut off, the main machine controller stops sending 12v out the ignition request
circuit. This removes the power source for the fuel pump that had been owing through the “closed at rest”
contacts of the high coolant temp shut down relay and from the ignition request relay, which turns it off.
Turning off the ignition request relay causes ignition to be immediately lost and the engine to shut off. It
also turns off the gasoline shut off solenoid on the carburetor
Several other events also take place. The ignition request power is lost from pin 1 of the Woodward actuator.
When this happens, it switches off the path to ground from pin 9 to 5. De-energizing the ignition request
relay also results in the loss of the engine run signal through the low oil pressure shut down relay closed at
rest contacts, turning off the power relay and control relay.
10A
IGN. REQUEST
15A
MAIN
5A
CONTROLLER
UNUSED
UNUSED
UNUSED
UNUSED
UNUSED
UNUSED
WOODWARD
FUEL LOCK-OFF
SOLENOID
N3 -0342 OR
FUEL PUMP
OIL SWITCH
(OPEN FOR
PRESSURE)
TEMP. SWITCH
(OPEN FOR
NORMAL TEMP.)
SHIELDED WIRE
RUN ENABL E SIGNAL
SHUTDO WN SIGNAL
CRANK REQUEST - BLU/PNK 16
IGNITION REQUEST - PNK 16
ENGINE RUN (12V INPUT) - GRY 16
HIGH COOLANT TEMP. (GROUND INPUT) - GRN /YEL 16
SPEED 2 (12V OUTPUT) - RED 16
SPEED 3 (12V OUTPUT) - BLACK 16
MAGNETIC
PICK-UP
(Engine RPM
Sensor)
STARTER
BATTERY
ALTERNATOR
IGNITION POWER
FOR IGNITER
IGNITIO N CONNECTO R
FOR PLUGGING INTO
KUBOTA IGNITION HAR NESS
KUBOTA
FUEL
SOLENOID
EG551 -44790
SPEED 2 (12V OUTPUT)
GRY/BLU 16
SPEED 3 (12V OUTPUT)
GRY/ORG 16
SHIELDED WIRE
WOODWARD
AUTO CHOKE
SOLENOID
SA-4741
BLU/LT
GRN 16
HIGH COOLANT TEMP.
SHUTDOWN REL AY
1 5 4
3
2
BLK
16
CONTROL
RELAY
1
5 4
3 2
BLK 16
IGNITION
REQUEST RELAY
1
5 4
3
2
RED
18
POWER
RELAY
1
5
4
3
2
RED 14
LOW OIL PRESS.
SHUTDOWN
RELAY
1
5 4
3
2
AEES RN65127
FUSE & RELAY
BLOCK ASSY
CRANK
REQUEST
RELAY
BLK/ WHT 16
RED/ GRN 16
YEL 16
S
R
P
N
M
L
F
E
D
C
B
A
K
J
H
G
S
R
P
N
M
L
F
E
D
C
B
A
K
J
H
G
CONNECTOR # 1
PACKARD 16 PIN MALE
P/N 15326863
(TO NILFISK HARNESS)
CONNECTOR #2
PACKARD 16 PIN FEMALE
P/N 15326868
(TO NILFISK HARNESS)
WOODWARD
L-SERIES
ACTUATOR
DEUTSCH
CONNECTOR
DT06 -12SA
RED 18
TO PIN A
BLK
18
BLK 18
TO PIN B
BLK/
WHT 16
BLK/
WHT 16
GRY/BLU 16
GRY/ORG 16
RED/
BLK
14
RED/BLK 14
RED/BL K 16
LT BLU 16
LT BLU
16
GRY/
RED 16
GRY/
RED 16
GRY/
RED 16
GRY 16
GRY 16
GRY 16
GRY 16
GRY
16
GRY 16
GRN 16
BLK 16
RED/ GRN 16
RED/ GRN 16
PNK /GRN 16
PNK /GRN
16
PNK /
GRN 16
PNK /
BLU 16
PNK /
BLU 16
PNK /BLU 16
PNK /BLU 16
PNK /BLU 16
PNK /BLK 16
PNK /BLU 16
PUR 16
PUR 16
GRY/WHT 16
1 2 3
10k
10k
0.047µF
0.047µF
RED 16
BLACK 16
DT04 -6P
FUEL SELECT
CONNECTOR
CT00023
DT06 -6S (BLACK)
GASOLINE PLUG
CT00024
DT06 -6S (GREY)
PROPANE PLUG
FUEL PUMP (+) - PNK /YEL 16

Table of Contents

Other manuals for Crescent CS7010