EasyManua.ls Logo

Crescent CS7010 - Cranking

Crescent CS7010
329 pages
Print Icon
To Next Page IconTo Next Page
To Next Page IconTo Next Page
To Previous Page IconTo Previous Page
To Previous Page IconTo Previous Page
Loading...
184Service Manual – CS7010™ 28 - Engine System - Petrol (Gasoline)
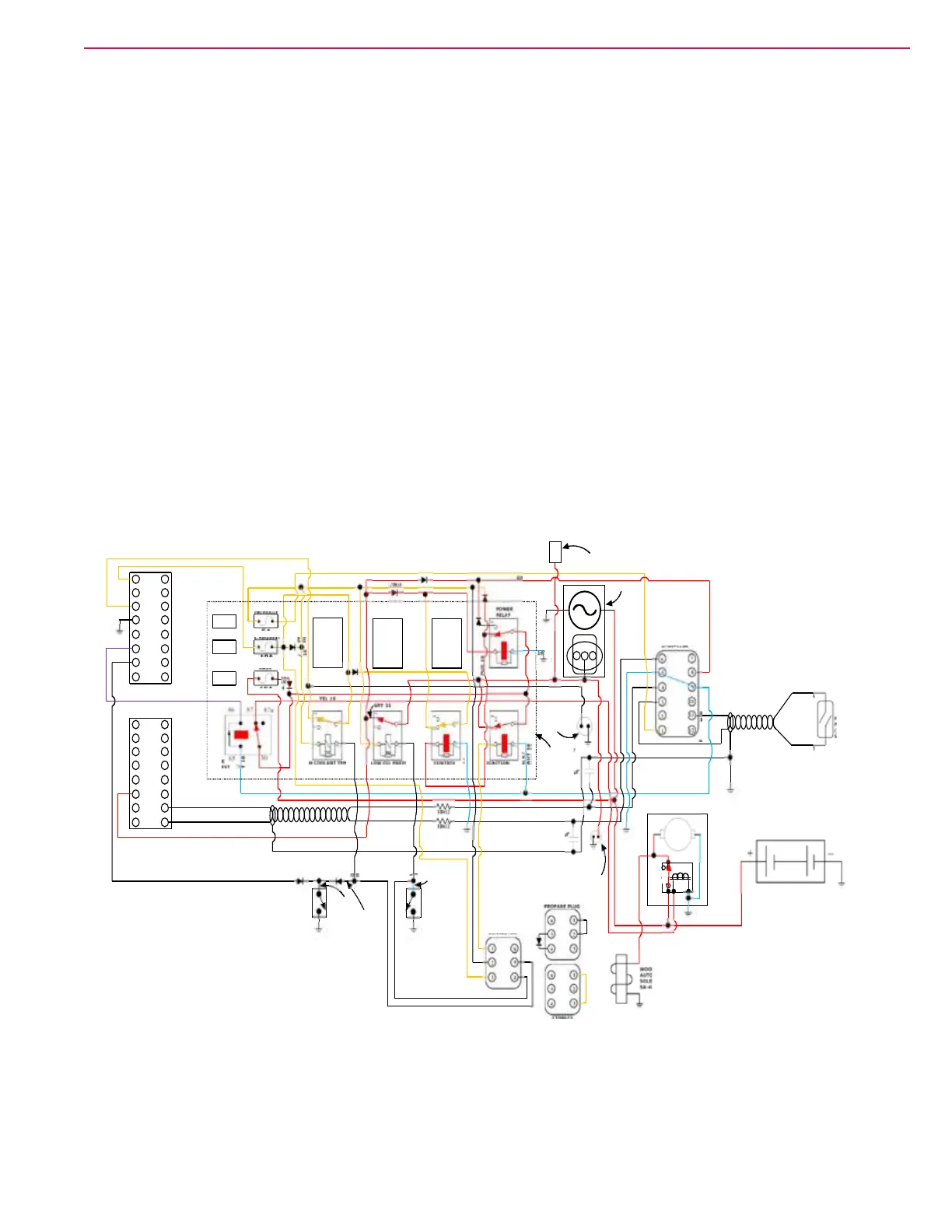
Cranking
When the main machine controller sees the 36v cranking request from the key switch, it sends out 12v on
the crank request circuit to the crank request relay winding. The other side of the winding is grounded
through pin 9 of the actuator (as long as there is not a shutdown condition within the L-Series actuator).
This energizes the crank request relay and battery power is passed through the contacts to the starter
solenoid engaging the starter to turn the engine crankshaft. The starter motor power is also fed to the
choke solenoid which pulls the carburetor choke closed.
Once oil pressure builds up, the oil pressure switch opens.
The loss of ground through the oil pressure switch causes the low oil pressure shutdown relay to de-
energize.
Battery power is then passed through the “closed at rest” contacts to the main machine controller as
the “engine run” signal and to the Woodward L series actuator pin 8. From this point on, the “run
enable” signal to the actuator is maintained by the low oil pressure shutdown relay.
The same power is also passed to the power relay coil energizing the relay.
Battery power is then passed through the “closed when energized” contacts of the power relay
back into the ignition request circuit and to the control relay winding, energizing the control
relay.
10A
IGN. REQUEST
15A
MAIN
5A
CONTROLLER
UNUSED
UNUSED
UNUSED
UNUSED
UNUSED
UNUSED
WOODWARD
FUEL LOCK-OFF
SOLENOID
N3 -0342 OR
FUEL PUMP
OIL SWITCH
(OPEN FOR
PRESSURE)
TEMP. SWITCH
(OPEN FOR
NORMAL TEMP.)
SHIELDED WIRE
RUN ENABL E SIGNAL
SHUTDO WN SIGNAL
CRANK REQUEST - BLU/PNK 16
IGNITION REQUEST - PNK 16
ENGINE RUN (12V INPUT) - GRY 16
HIGH COOLANT TEMP. (GROUND INPUT) - GRN/YEL 16
SPEED 2 (12V OUTPUT) - RED 16
SPEED 3 (12V OUTPUT) - BLACK 16
MAGNETIC
PICK-UP
(Engine RPM
Sensor)
STARTER
BATTERY
ALTERNATOR
IGNITION POWER
FOR IGNITER
IGNITIO N CONNECTO R
FOR PLUGGING INTO
KUBOTA IGNITION HARNES S
KUBOTA
FUEL
SOLENOID
EG551 -44790
SPEED 2 (12V OUTPUT)
GRY/BLU 16
SPEED 3 (12V OUTPUT)
GRY/ORG 16
SHIELDED WIRE
WOODWARD
AUTO CHOKE
SOLENOID
SA-4741
BLU/LT
GRN 16
HIGH COOLANT TEMP.
SHUTDOWN REL AY
1 5 4
3
2
BLK
16
CONTROL
RELAY
1
5 4
3 2
BLK 16
IGNITION
REQUEST RELAY
1
5 4
3
2
RED
18
POWER
RELAY
1
5
4
3
2
RED 14
LOW OIL PRESS.
SHUTDOWN
RELAY
1
5 4
3
2
AEES RN65127
FUSE & RELAY
BLOCK ASSY
CRANK
REQUEST
RELAY
BLK/ WHT 16
RED/ GRN 16
YEL 16
S
R
P
N
M
L
F
E
D
C
B
A
K
J
H
G
S
R
P
N
M
L
F
E
D
C
B
A
K
J
H
G
CONNECTOR # 1
PACKARD 16 PIN MALE
P/N 15326863
(TO NILFISK HARNESS)
CONNECTOR #2
PACKARD 16 PIN FEMALE
P/N 15326868
(TO NILFISK HARNESS)
WOODWARD
L-SERIES
ACTUATOR
DEUTSCH
CONNECTOR
DT06 -12SA
RED 18
TO PIN A
BLK
18
BLK 18
TO PIN B
BLK/
WHT 16
BLK/
WHT 16
GRY/BLU 16
GRY/ORG 16
RED/
BLK
14
RED/BLK 14
RED/BL K 16
LT BLU 16
LT BLU
16
GRY/
RED 16
GRY/
RED 16
GRY/
RED 16
GRY 16
GRY 16
GRY 16
GRY 16
GRY
16
GRY 16
GRN 16
BLK 16
RED/ GRN 16
RED/ GRN 16
PNK /GRN 16
PNK /GRN
16
PNK /
GRN 16
PNK /
BLU 16
PNK /
BLU 16
PNK /BLU 16
PNK /BLU 16
PNK /BLU 16
PNK /BLK 16
PNK /BLU 16
PUR 16
PUR 16
GRY/WHT 16
1 2 3
10k
10k
0.047µF
0.047µF
RED 16
BLACK 16
DT04 -6P
FUEL SELECT
CONNECTOR
CT00023
DT06 -6S (BLACK)
GASOLINE PLUG
CT00024
DT06 -6S (GREY)
PROPANE PLUG
FUEL PUMP (+) - PNK /YEL 16

Table of Contents

Other manuals for Crescent CS7010