EasyManua.ls Logo

Crescent CS7010 - Hopper and Dust Control Wiring Diagram

Crescent CS7010
329 pages
Print Icon
To Next Page IconTo Next Page
To Next Page IconTo Next Page
To Previous Page IconTo Previous Page
To Previous Page IconTo Previous Page
Loading...
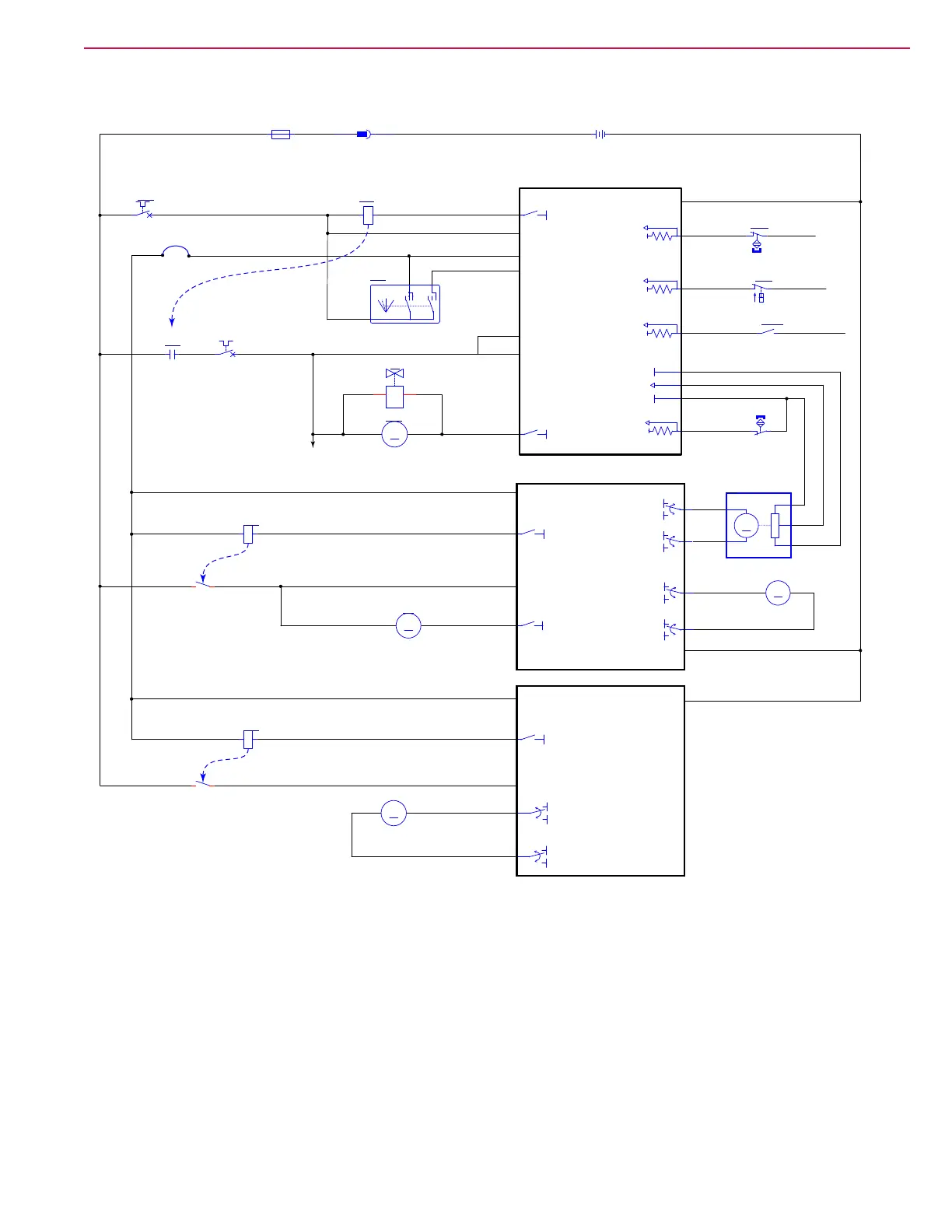
296Service Manual – CS7010™ 52 - Hopper System
Hopper and Dust Control Wiring Diagram
B-
BLK
A1
MAIN MACHINE
CONTROLLER
J1-19
J1-6
J1-30
VACC2
VACC1
VACC2
J1-29
TO 1A3, 1D2
RED BLK
BLK-ORN
YEL-BRN
YEL-BRN
RED
RED
VIO
B-
BT1
BATTERY, 36VDC
+
-
X166
K1b
MAIN RELAY
1
2
X169
K1a
MAIN RELAY
CB1
IGNITION SW 5 AMP
1 2
CB2
VACC2 25 AMP
1 2
F1
FUSE, 400 A.
1
2
START
KSI Input
J1-21
VIO-GRN
ORN
ORN
fiflfl
fi

SW1
SWITCH, IGN.
BAT
ON
ST
Telematics
Jumper
J2-4
J2-7
GRY-GRN
BLU-BLK
+3.3V
B-
M
M6
10K OHM
+
_
B-
B+
B-
B+
J2-17
J2-13
BLKGRY-VIO
SW6
SW, HOPPER INTERLOCK
1 2
+5V
J2-8
BLKWHT-GRN
SW8
SW, DUST CONTROL FILTER(OPTIONAL)
1
2
+5V
J2-14
BLK
YEL-VIO
SW10
SW, HOPPER FIRE(OPTIONAL)
+5V
J2-18
GRN-ORN
SW13
SW, DUMP DOOR CLOSED
1
2
+5V
J3-6
J3-1
ORN-RED
J3-10
J3-11
BLU-GRY
ORN-RED
B-
B+
B-
B+
M
M8
MOTOR, SHAKER
-+
DUMP DOOR ACTUATOR
M2
M1
WHT-BLK
BLU-ORN
M
M11
MOTOR, HYD PUMP
-
+
B-
B+
B-
B+
J1-26
BRN-RED
B-
M
M22
PUMP, DUST GUARD (OPTIONAL)
_
+
L1
VALVE, DUST GUARD
M2
BLU-GRY BRN-YEL
M
M2
MOTOR, DUST FAN
-+
B-
J4-2
A2
POWER MODULE
KSI
B+
J4-9
BRN-GRN
GRN-GRYRED
B-
BLK
ORN
ORN
K2a
COIL, POWER MODULE
3 4
K2b
POWER MODULE
2
1
B-
KSI (Control Power) to Power Module
High Power to Power Module
J4-2
A3
POWER MODULE
KSI
B+
B-
J4-9
TO 3B2
BRN-GRN
GRN-GRYRED
BLK
ORN
ORN
K3a
COIL, POWER MODULE
3 4
K3b
POWER MODULE
2
1
B-
KSI (Control Power) to Power Module
High Power to Power Module
V
ACC2
Power

Table of Contents

Other manuals for Crescent CS7010