EasyManua.ls Logo

Crescent CS7010 - Solution System Wiring Diagram; Circuit Description

Crescent CS7010
329 pages
Print Icon
To Next Page IconTo Next Page
To Next Page IconTo Next Page
To Previous Page IconTo Previous Page
To Previous Page IconTo Previous Page
Loading...
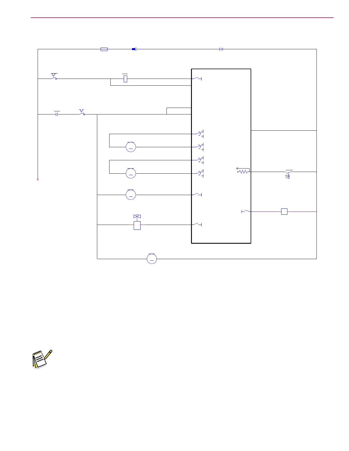
206Service Manual – CS7010™ 30 - Solution System
Solution System Wiring Diagram
(CLOSES WHEN
TANK IS EMPTY)
J1-14
J1-15
J1-16
J1-17
J1-8
J2-10
J1-33
B-
WHT-YEL
BLU-YEL
WHT-RED
BLU-RED
YEL-ORN
BLK
BLK
GRY-YEL
VIO-ORN
BLK
B-
M
M19
PUMP, DETERGENT(OPTIONAL)
-
+
M
M20
PUMP, DETERGENT(OPTIONAL)
-
+
B-
+5V
M
M21
PUMP, EXTENDED SCRUB
_
+
M
M24
PUMP, LOW PRESSURE (OPTIONAL)
_
+
B-
B+
B-
B+
B-
B+
B-
B+
L2
VALVE, SOLUTION
SW7
SW, EXTENDED SCRUB
LEVEL(OPTIONAL)
1 2
A1
MAIN MACHINE
CONTROLLER
J1-19
J1-6
J1-30
VACC2
VACC1
VACC2
J1-29
TO 1A3, 1D2
RED BLK
BLK-ORN
YEL-BRN
RED VIO
VIO
YEL-BRN
RED
RED
VIO
(A) TO 3B1
B-
BT1
BATTERY, 36VDC
+
-
X166
K1b
MAIN RELAY
1
2
X169
K1a
MAIN RELAY
CB1
IGNITION SW 5 AMP
1 2
CB2
VACC2 25 AMP
1 2
F1
FUSE, 400 A.
1
2
J1-3
WHT-ORN
BLK
+12V
Y1
CLUTCH HIGH
PRESSURE PUMP
Circuit Description
The K1 relay provides positive power to the solution solenoid, low pressure pump, and extended scrub pump.
Because the output of the K1 relay also goes to the main controller, the main controller knows whether the
K1 relay is open or closed, and will issue a fault code if there are any failures upstream from this point.
The extended scrub pump and solution solenoid valve are activated when the main controller provides a
PWM path to ground. The low pressure pump is always active, but operates by on-demand when a drop in
output pressure is detected.
Note: The internal pressure switch in the low pressure pump is set to switch the pump on at 25 psi
± 5 psi (when the hose nozzle is opened), and shut pump off at 45 psi (when the hose nozzle is
closed).
The high pressure pump is mechanically driven off the engine, but contains an electric clutch to engage
power when needed. The main controller provides positive battery power to the clutch.

Table of Contents

Other manuals for Crescent CS7010