EasyManua.ls Logo

Crescent CS7010 - Engine Starter and Carburetor Choke Control

Crescent CS7010
329 pages
Print Icon
To Next Page IconTo Next Page
To Next Page IconTo Next Page
To Previous Page IconTo Previous Page
To Previous Page IconTo Previous Page
Loading...
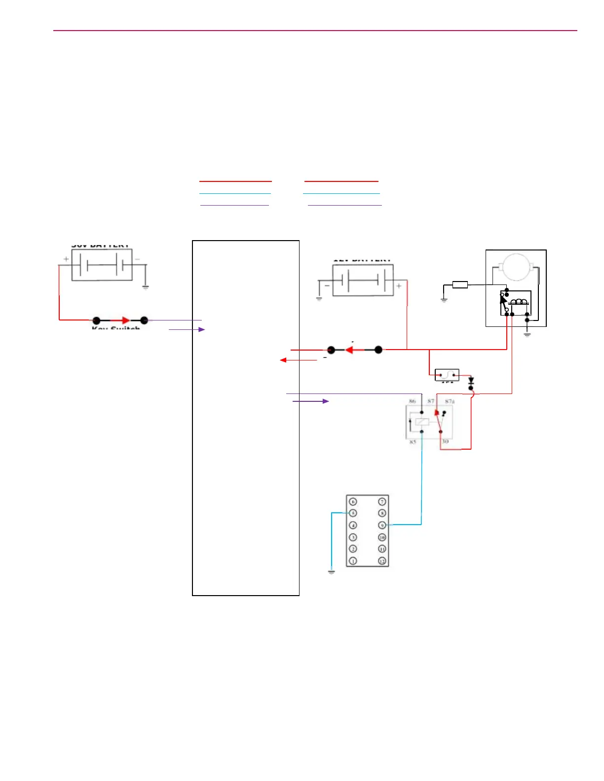
181Service Manual – CS7010™ 28 - Engine System - Petrol (Gasoline)
Engine Starter and Carburetor Choke Control
To get the engine starter to engage, the key switch is held in the start position which supplies 36 volts to
the main machine controller on the violet wire with the green stripe to connector J7 pin 19. This is the start
input request. The main machine controller receives a 12 V supply on connector J3 pin 23 from the engine
starter battery. It uses this voltage supply to send 12 volts out of connector J3 pin 10 to the crank request
relay coil. The other side of the relay coil is grounded through the Woodward L-series actuator. With power
and ground across the relay winding the relay energizes and fused battery power from terminal 30 is sent to
the starter solenoid. An electrically operated solenoid pulls the carburetor choke closed when the starter is
engaged.
15A
12v BATTERY
STARTER
CRANK
REQUEST
RELAY
Main Machine Controller
Ground
Battery
Cranking
12v
WOODWARD
L-SERIES
ACTUATOR
36v BATTERY
36v
Aux. Relay Contact
12v
Key Switch
Start Position
Choke
Solenoid

Table of Contents

Other manuals for Crescent CS7010