182Service Manual – CS7010™ 28 - Engine System - Petrol (Gasoline)
Throttle Control Modes
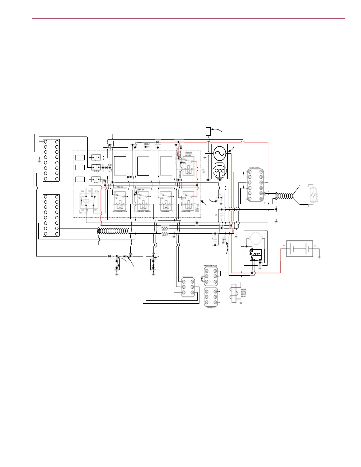
Ignition Off
• Battery power is available through the main fuse to the crank request relay common contact, the ignition
request relay common contact and the power relay common contact.
• Battery power is provided to the “run enable” input of the L-Series actuator through the power relay
closed at rest contacts. (If it doesn’t have this signal present on power up, it goes into an error mode.)
• There is no power to the ignition system or carburetor fuel shut off solenoid.
10A
IGN. REQUEST
15A
MAIN
5A
CONTROLLER
UNUSED
UNUSED
UNUSED
UNUSED
UNUSED
UNUSED
WOODWARD
FUEL LOCK-OFF
SOLENOID
N3-0342 OR
FUEL PUMP
OIL SWITCH
(OPEN FOR
PRESSURE)
TEMP. SWITCH
(OPEN FOR
NORMAL TEMP.)
SHIELDED WIRE
RUN ENABLE SIGNAL
SHUTDOWN SIGNAL
CRANK REQUEST - BLU/PNK 16
IGNITION REQUEST - PNK 16
ENGINE RUN (12V INPUT) - GRY 16
HIGH COOLANT TEMP. (GROUND INPUT) - GRN/YEL 16
SPEED 2 (12V OUTPUT) - RED 16
SPEED 3 (12V OUTPUT) - BLACK 16
MAGNETIC
PICK-UP
(Engine RPM
Sensor)
STARTER
BATTERY
ALTERNATOR
IGNITION POWER
FOR IGNITER
IGNITION CONNECTOR
FOR PLUGGING INTO
KUBOTA IGNITION HARNESS
KUBOTA
FUEL
SOLENOID
EG551-44790
SPEED 2 (12V OUTPUT)
GRY/BLU 16
SPEED 3 (12V OUTPUT)
GRY/ORG 16
SHIELDED WIRE
WOODWARD
AUTO CHOKE
SOLENOID
SA-4741
BLU/LT
GRN 16
HIGH COOLANT TEMP.
SHUTDOWN RELAY
1
5 4
3
2
BLK
16
CONTROL
RELAY
1
5 4
3
2
BLK 16
IGNITION
REQUEST RELAY
1
5
4
3
2
RED
18
POWER
RELAY
1 5 4
3
2
RED 14
LOW OIL PRESS.
SHUTDOWN
RELAY
1
5 4
3 2
AEES RN65127
FUSE & RELAY
BLOCK ASSY
CRANK
REQUEST
RELAY
BLK/ WHT 16
RED/GRN 16
YEL 16
S
R
P
N
M
L
F
E
D
C
B
A
K
J
H
G
S
R
P
N
M
L
F
E
D
C
B
A
K
J
H
G
CONNECTOR # 1
PACKARD 16 PIN MALE
P/N 15326863
(TO NILFISK HARNESS)
CONNECTOR #2
PACKARD 16 PIN FEMALE
P/N 15326868
(TO NILFISK HARNESS)
WOODWARD
L-SERIES
ACTUATOR
DEUTSCH
CONNECTOR
DT06-12SA
RED 18
TO PIN A
BLK
18
BLK 18
TO PIN B
BLK/
WHT 16
BLK/
WHT 16
GRY/BLU 16
GRY/ORG 16
RED/
BLK
14
RED/BLK 14
RED/BLK 16
LT BLU 16
LT BLU
16
GRY/
RED 16
GRY/
RED 16
GRY/
RED 16
GRY 16
GRY 16
GRY 16
GRY 16
GRY
16
GRY 16
GRN 16
BLK 16
RED/GRN 16
RED/GRN 16
PNK/GRN 16
PNK/GRN
16
PNK/
GRN 16
PNK/
BLU 16
PNK/
BLU 16
PNK/BLU 16
PNK/BLU 16
PNK/BLU 16
PNK/BLU 16
PNK/BLK 16
PNK/BLU 16
PUR 16
PUR 16PUR 16
WHT 16
GRY/WHT 16
1 2 3
10k
10k
0.047µF
0.047µF
RED 16
BLACK 16
DT04-6P
FUEL SELECT
CONNECTOR
CT00023
DT06-6S (BLACK)
GASOLINE PLUG
CT00024
DT06-6S (GREY)
PROPANE PLUG
FUEL PUMP (+) - PNK/YEL 16